lamborghini urraco p300 blocco cilindri e coppa diagramma delle parti

011 - Blocco cilindri e coppa

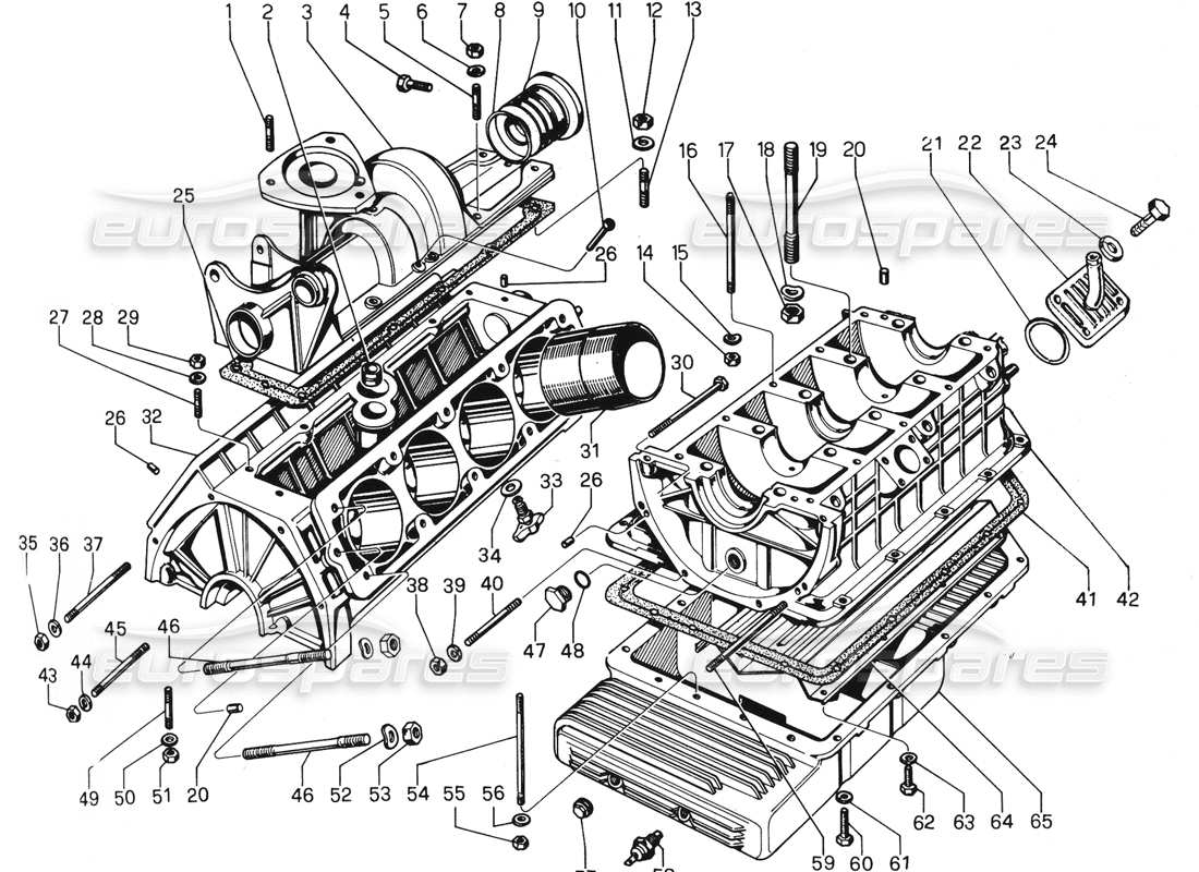
Lamborghini Urraco P300 Cylinder Block & Sump Diagramma delle parti

Visualizza il diagramma delle parti esplose per trovare la parte che stai cercando
  • Puoi riposizionare il diagramma trascinandolo
  • È possibile ingrandire e rimpicciolire il diagramma scorrendo, pizzicando o utilizzando ilEpulsanti
  • È possibile reimpostare il diagramma utilizzando il comandopulsante
Visualizza tutte le informazioni sui prezzi e sulla disponibilità delle parti nella tabella delle parti A destrasotto
  • È possibile fare clic su un hotspot nello schema delle parti per individuare la parte nella tabella
  • Puoi utilizzare le opzioni filtro, nella scheda filtro, per nascondere parti non pertinenti alla tua ricerca
Passare da un diagramma di parte all'altro utilizzando il comandoEpulsanti o utilizzare le immagini del diagramma di seguito
Ti consigliamo di visualizzare questa pagina con orientamento orizzontale per la migliore esperienza
Chiave della parte
ST
Parte in magazzino
PS
Disponibile in un set parziale
SS
Sostituzione della parte in stock
PS
Disponibile in un set parziale su ordinazione (In base alla disponibilità)
SO
Parte disponibile su ordinazione (In base alla disponibilità)
PK
Disponibile in un kit di parti
                                                                                                                              #
                                                                                                                              Numero di parte
                                                                                                                              Descrizione
                                                                                                                              Prezzo
                                                                                                                              # 001
                                                                                                                              MPN: 008300822
                                                                                                                              PERNO FILETTATO
                                                                                                                              Superamento
                                                                                                                              Superamento
                                                                                                                              # 002
                                                                                                                              MPN: 001807864
                                                                                                                              SQUILLO
                                                                                                                              da £4,65
                                                                                                                              da £4,65
                                                                                                                              # 003
                                                                                                                              MPN: 001810798
                                                                                                                              COPERTINA
                                                                                                                              da £13.481,24
                                                                                                                              da £13.481,24
                                                                                                                              # 004
                                                                                                                              MPN: 008100849
                                                                                                                              BULLONE
                                                                                                                              da £5,15
                                                                                                                              da £5,15
                                                                                                                              # 005
                                                                                                                              MPN: 008300808
                                                                                                                              PERNO FILETTATO
                                                                                                                              usa: WHT003027
                                                                                                                              Superamento
                                                                                                                              Superamento
                                                                                                                              # 006
                                                                                                                              MPN: WHT001514
                                                                                                                              Rondella
                                                                                                                              da £17,62
                                                                                                                              da £17,62
                                                                                                                              Questa parte sostituisce il numero di parte 008410805
                                                                                                                              # 007
                                                                                                                              MPN: 008200806
                                                                                                                              DADG
                                                                                                                              Superamento
                                                                                                                              Superamento
                                                                                                                              # 008
                                                                                                                              MPN: 008606205
                                                                                                                              GOMMINO DI TENUTA OLIO
                                                                                                                              da £2,90
                                                                                                                              da £2,90
                                                                                                                              Questa parte sostituisce il numero di parte 008606201
                                                                                                                              # 009
                                                                                                                              MPN: 001806762
                                                                                                                              BUSSOLA SUPPORTO ALBERO POMPA ACQUA
                                                                                                                              da £213,45
                                                                                                                              da £213,45
                                                                                                                              # 010
                                                                                                                              MPN: 001111782
                                                                                                                              UNIONE
                                                                                                                              da £44,38
                                                                                                                              da £44,38
                                                                                                                              # 011
                                                                                                                              MPN: WHT000768
                                                                                                                              Rondella
                                                                                                                              da £1,52
                                                                                                                              da £1,52
                                                                                                                              Questa parte sostituisce il numero di parte 008410806 - e 1 altro. Fare clic per visualizzare i dettagli
                                                                                                                              # 012
                                                                                                                              MPN: N10155210
                                                                                                                              NOCE
                                                                                                                              da £0,86
                                                                                                                              da £0,86
                                                                                                                              Questa parte sostituisce il numero di parte 008201001
                                                                                                                              # 013
                                                                                                                              MPN: 008301006
                                                                                                                              PERNO FILETTATO
                                                                                                                              da £8,16
                                                                                                                              da £8,16
                                                                                                                              # 014
                                                                                                                              MPN: 008200805
                                                                                                                              NOCE
                                                                                                                              da £0,51
                                                                                                                              da £0,51
                                                                                                                              # 015
                                                                                                                              MPN: WHT001514
                                                                                                                              Rondella
                                                                                                                              da £17,62
                                                                                                                              da £17,62
                                                                                                                              Questa parte sostituisce il numero di parte 008410805
                                                                                                                              # 016
                                                                                                                              MPN: 008300810
                                                                                                                              PERNO
                                                                                                                              da £8,88
                                                                                                                              da £8,88
                                                                                                                              # 017
                                                                                                                              MPN: 008201201
                                                                                                                              NOCE
                                                                                                                              da £4,06
                                                                                                                              da £4,06
                                                                                                                              # 018
                                                                                                                              MPN: 008411302
                                                                                                                              Rondella
                                                                                                                              Superamento
                                                                                                                              Superamento
                                                                                                                              # 019
                                                                                                                              MPN: 008301208
                                                                                                                              PERNO FILETTATO
                                                                                                                              da £10,54
                                                                                                                              da £10,54
                                                                                                                              # 020
                                                                                                                              MPN: 008851101
                                                                                                                              TASSELLO DI POSIZIONAMENTO
                                                                                                                              da £27,17
                                                                                                                              da £27,17
                                                                                                                              # 021
                                                                                                                              MPN: 008605802
                                                                                                                              GOMMINO DI TENUTA
                                                                                                                              da £0,57
                                                                                                                              da £0,57
                                                                                                                              # 022
                                                                                                                              MPN: 001811832
                                                                                                                              COPERTINA
                                                                                                                              da £73,51
                                                                                                                              da £73,51
                                                                                                                              # 023
                                                                                                                              MPN: 008410602
                                                                                                                              Rondella
                                                                                                                              da £32,92
                                                                                                                              da £32,92
                                                                                                                              # 024
                                                                                                                              MPN: 008100617
                                                                                                                              BULLONE
                                                                                                                              da £3,98
                                                                                                                              da £3,98
                                                                                                                              # 025
                                                                                                                              MPN: 001812090
                                                                                                                              GUARNIZIONE
                                                                                                                              da £35,14
                                                                                                                              da £35,14
                                                                                                                              # 026
                                                                                                                              MPN: 008850806
                                                                                                                              TASSELLO DI POSIZIONAMENTO
                                                                                                                              Superamento
                                                                                                                              Superamento
                                                                                                                              # 027
                                                                                                                              MPN: 008300831
                                                                                                                              PERNO FILETTATO
                                                                                                                              da £9,63
                                                                                                                              da £9,63
                                                                                                                              # 028
                                                                                                                              MPN: WHT001514
                                                                                                                              Rondella
                                                                                                                              da £17,62
                                                                                                                              da £17,62
                                                                                                                              Questa parte sostituisce il numero di parte 008410805
                                                                                                                              # 029
                                                                                                                              MPN: 008200806
                                                                                                                              NOCE
                                                                                                                              Superamento
                                                                                                                              Superamento
                                                                                                                              # 030
                                                                                                                              MPN: 008100816
                                                                                                                              BULLONE
                                                                                                                              da £4,06
                                                                                                                              da £4,06
                                                                                                                              # 031
                                                                                                                              MPN: 001810802
                                                                                                                              CANNA CILINDRI
                                                                                                                              da £530,18
                                                                                                                              da £530,18
                                                                                                                              Questa parte sostituisce il numero di parte 001808607
                                                                                                                              # 032
                                                                                                                              MPN: 001810791
                                                                                                                              Basamento cilindri
                                                                                                                              da £13.877,76
                                                                                                                              da £13.877,76
                                                                                                                              # 033
                                                                                                                              MPN: 001701905
                                                                                                                              RUBINETTO SCARICO ACQUA DAL BASAMENTO
                                                                                                                              da £114,20
                                                                                                                              da £114,20
                                                                                                                              # 034
                                                                                                                              MPN: 001701906
                                                                                                                              Rondella
                                                                                                                              Superamento
                                                                                                                              Superamento
                                                                                                                              # 035
                                                                                                                              MPN: N10155210
                                                                                                                              NOCE
                                                                                                                              da £0,86
                                                                                                                              da £0,86
                                                                                                                              Questa parte sostituisce il numero di parte 008201001
                                                                                                                              # 036
                                                                                                                              MPN: WHT000768
                                                                                                                              Rondella
                                                                                                                              da £1,52
                                                                                                                              da £1,52
                                                                                                                              Questa parte sostituisce il numero di parte 008410806 - e 1 altro. Fare clic per visualizzare i dettagli
                                                                                                                              # 037
                                                                                                                              MPN: 008301008
                                                                                                                              PERNO
                                                                                                                              da £7,22
                                                                                                                              da £7,22
                                                                                                                              # 038
                                                                                                                              MPN: 008200806
                                                                                                                              NOCE
                                                                                                                              Superamento
                                                                                                                              Superamento
                                                                                                                              # 039
                                                                                                                              MPN: WHT001514
                                                                                                                              Rondella
                                                                                                                              da £17,62
                                                                                                                              da £17,62
                                                                                                                              Questa parte sostituisce il numero di parte 008410805
                                                                                                                              # 040
                                                                                                                              MPN: 008300806
                                                                                                                              PRIQIONIERO
                                                                                                                              da £3,82
                                                                                                                              da £3,82
                                                                                                                              # 041
                                                                                                                              MPN: 001805998
                                                                                                                              GUARNIZIONE
                                                                                                                              da £107,93
                                                                                                                              da £107,93
                                                                                                                              # 042
                                                                                                                              MPN: 001810792
                                                                                                                              SUPPORTO
                                                                                                                              da £3.104,53
                                                                                                                              da £3.104,53
                                                                                                                              # 043
                                                                                                                              MPN: N10155210
                                                                                                                              NOCE
                                                                                                                              da £0,86
                                                                                                                              da £0,86
                                                                                                                              Questa parte sostituisce il numero di parte 008201001
                                                                                                                              # 044
                                                                                                                              MPN: WHT000768
                                                                                                                              Rondella
                                                                                                                              da £1,52
                                                                                                                              da £1,52
                                                                                                                              Questa parte sostituisce il numero di parte 008410806 - e 1 altro. Fare clic per visualizzare i dettagli
                                                                                                                              # 045
                                                                                                                              MPN: 008301002
                                                                                                                              PERNO FILETTATO
                                                                                                                              da £22,57
                                                                                                                              da £22,57
                                                                                                                              # 046
                                                                                                                              MPN: 008301222
                                                                                                                              PERNO FILETTATO
                                                                                                                              da £11,86
                                                                                                                              da £11,86
                                                                                                                              # 047
                                                                                                                              MPN: 008300807
                                                                                                                              PERNO FILETTATO
                                                                                                                              M8x50 UNI 5911-66A 8G
                                                                                                                              Superamento
                                                                                                                              Superamento
                                                                                                                              # 048
                                                                                                                              MPN: 008100603
                                                                                                                              TIULLONE
                                                                                                                              da £1,00
                                                                                                                              da £1,00
                                                                                                                              # 049
                                                                                                                              MPN: 008410603
                                                                                                                              RONDELLA Rondella
                                                                                                                              Superamento
                                                                                                                              Superamento
                                                                                                                              # 050
                                                                                                                              MPN: N01020717
                                                                                                                              BULLONE
                                                                                                                              da £0,50
                                                                                                                              da £0,50
                                                                                                                              Questa parte sostituisce il numero di parte 008100504
                                                                                                                              # 051
                                                                                                                              MPN: 008410502
                                                                                                                              Rondella
                                                                                                                              Superamento
                                                                                                                              Superamento
                                                                                                                              # 052
                                                                                                                              MPN: 008411101
                                                                                                                              Rondella
                                                                                                                              da £5,31
                                                                                                                              da £5,31
                                                                                                                              # 053
                                                                                                                              MPN: 008201101
                                                                                                                              NOCE
                                                                                                                              da £36,21
                                                                                                                              da £36,21
                                                                                                                              # 054
                                                                                                                              MPN: 008300628
                                                                                                                              PERNO FILETTATO
                                                                                                                              da £2,57
                                                                                                                              da £2,57
                                                                                                                              # 055
                                                                                                                              MPN: 008200604
                                                                                                                              NOCE
                                                                                                                              Superamento
                                                                                                                              Superamento
                                                                                                                              # 056
                                                                                                                              MPN: 00841062
                                                                                                                              Rondella
                                                                                                                              # 057
                                                                                                                              MPN: 008933203
                                                                                                                              TAPPO
                                                                                                                              # 058
                                                                                                                              MPN: 001501333
                                                                                                                              Termocoppia tempretura olio
                                                                                                                              # 059
                                                                                                                              MPN: 008300807
                                                                                                                              PERNO FILETTATO
                                                                                                                              M8x50 UNI 5911-66A 8G
                                                                                                                              Superamento
                                                                                                                              Superamento
                                                                                                                              # 060
                                                                                                                              MPN: 008100603
                                                                                                                              BULLONE
                                                                                                                              da £0,94
                                                                                                                              da £0,94
                                                                                                                              # 061
                                                                                                                              MPN: 008410603
                                                                                                                              Rondella
                                                                                                                              Superamento
                                                                                                                              Superamento
                                                                                                                              # 062
                                                                                                                              MPN: N01020717
                                                                                                                              BULLONE
                                                                                                                              da £0,50
                                                                                                                              da £0,50
                                                                                                                              Questa parte sostituisce il numero di parte 008100504
                                                                                                                              # 063
                                                                                                                              MPN: 008410502
                                                                                                                              Rondella
                                                                                                                              Superamento
                                                                                                                              Superamento
                                                                                                                              # 064
                                                                                                                              MPN: 001811006
                                                                                                                              PARTIA SBATTIMENTO OLIO
                                                                                                                              # 065
                                                                                                                              MPN: 001810980
                                                                                                                              COPPA OLIO
                                                                                                                              da £359,13
                                                                                                                              da £359,13