Lamborghini
LAMBORGHINI GUARNIZIONE COPPA OLIO 
 
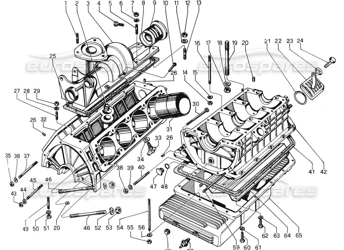
Visualizza questa parte nel diagramma seguente ( #041 )
 
 - Genuine Lamborghini
Non ci sono suggerimenti per parti alternative per questa parte in questo momento.
Il codice articolo 001805998 è stato trovato nei seguenti cataloghi di ricambi:
Se hai trovato questo componente più economico altrove e desideri che proviamo ad abbinare il prezzo, comunicacelo utilizzando questo modulo.
Possiamo scattare foto solo degli articoli attualmente disponibili in magazzino. Purtroppo non abbiamo questo articolo in magazzino, quindi non possiamo fornirti una fotografia.
Se desideri avere maggiori informazioni su questa parte in modo da essere sicuro che sia quella corretta, utilizza questo modulo e chiedi quello che vuoi sapere.
DESCRIZIONE DELLA PARTE
Genuine LAMBORGHINI, GUARNIZIONE COPPA OLIO, NUMERO PARTE: 001805998
Parte Conosciuta Anche Come:
- GUARNIZIONE
Il numero di parte 001805998 è presente su alcuni dei diagrammi del catalogo delle parti di queste famiglie di modelli: Lamborghini Jalpa E Lamborghini Urraco
Attualmente disponibile come: Genuine Lamborghini New (to order)
 Eurospares
 Eurospares