Maserati Parte
Maserati Ghibli (1993-1995) TUBO DI RITORNO SUL COMPRESSORE CON NU
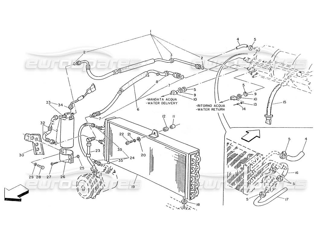
Visualizza questa parte nel diagramma seguente ( #023 )
-part-diagram-004.webp) 
 - Genuine Maserati Parte
Non ci sono suggerimenti per parti alternative per questa parte in questo momento.
Il codice articolo 365500185 è stato trovato nei seguenti cataloghi di ricambi:
Se hai trovato questo componente più economico altrove e desideri che proviamo ad abbinare il prezzo, comunicacelo utilizzando questo modulo.
Possiamo scattare foto solo degli articoli attualmente disponibili in magazzino. Purtroppo non abbiamo questo articolo in magazzino, quindi non possiamo fornirti una fotografia.
Se desideri avere maggiori informazioni su questa parte in modo da essere sicuro che sia quella corretta, utilizza questo modulo e chiedi quello che vuoi sapere.
DESCRIZIONE DELLA PARTE
Genuine MASERATI PARTE, TUBO DI RITORNO SUL COMPRESSORE CON NU, NUMERO DI PARTE: 365500185
Parte Conosciuta Anche Come:
- LINEA DI RITORNO DEL FREON
- TUBO DI RITORNO DEL FREON
Il numero di parte 365500185 è presente su alcuni dei diagrammi del catalogo delle parti di queste famiglie di modelli: Maserati Ghibli (1993-1995)
Attualmente disponibile come: Genuine Maserati Part New (to order)
 Eurospares
 Eurospares