Parte Approvata
EUROSPARES SPINA CENTRALE OE

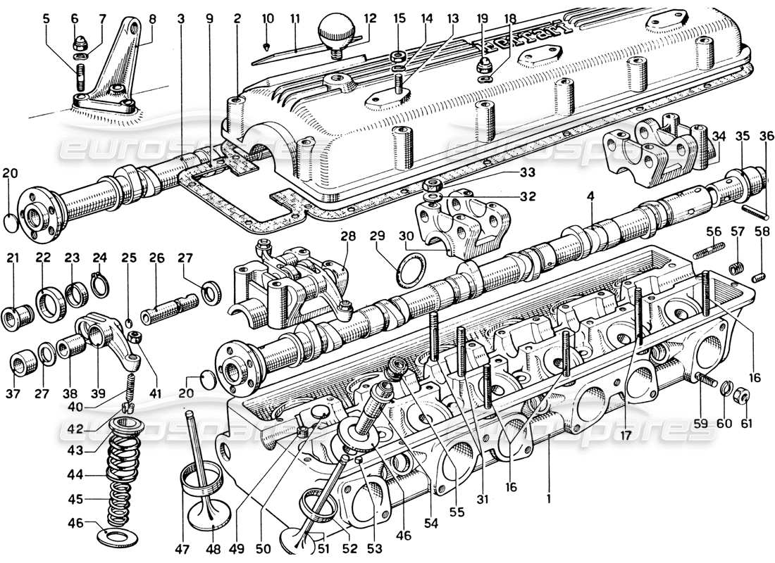
Visualizza diagrammi ![]() |
- Eurospares Parte Approvata
Il codice articolo 10158700 è stato trovato nei seguenti cataloghi di ricambi:
Se hai trovato questo componente più economico altrove e desideri che proviamo ad abbinare il prezzo, comunicacelo utilizzando questo modulo.
Possiamo scattare foto solo degli articoli attualmente disponibili in magazzino. Purtroppo non abbiamo questo articolo in magazzino, quindi non possiamo fornirti una fotografia.
Potrebbe valere la pena controllare la scheda Altre opzioni per vedere se ci sono foto della parte lì.
Se desideri avere maggiori informazioni su questa parte in modo da essere sicuro che sia quella corretta, utilizza questo modulo e chiedi quello che vuoi sapere.
DESCRIZIONE DELLA PARTE
Eurospares PARTE APPROVATA, CORE PLUG OE, NUMERO PARTE: 10158700
Il numero di parte 10158700 è presente su alcuni dei diagrammi del catalogo delle parti di queste famiglie di modelli: Ferrari 250, Ferrari 275 E Ferrari 330 and 365
Attualmente disponibile come: Eurospares Approved Part New (to order), Genuine Ferrari Parte nuova (su ordinazione)
