Ricambi Maserati Indy

In qualità di fornitore affidabile di ricambi autentici Maserati, ci impegniamo a preservare la tradizione di questa iconica Gran Turismo offrendovi ricambi di altissima qualità e un supporto esperto. Consultate gli schemi dei ricambi Indy per trovare esattamente il ricambio che state cercando oppure contattateci e lo troveremo per voi.

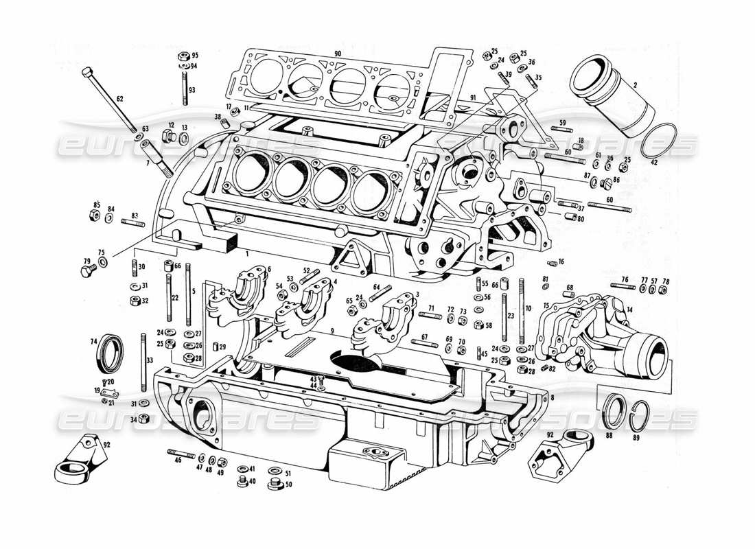
un diagramma delle parti dal catalogo delle parti maserati indy 4.2
Indy

Indy 4.2

Una vera Gran Turismo: comfort e prestazioni di lusso

La Maserati Indy debuttò nel 1969, presentata come un'aggiunta raffinata alla famiglia delle gran turismo. Fu progettata per unire il carattere sportivo della Ghibli al lusso raffinato della Mexico . Prodotta fino al 1975, la Indy si è ritagliata un'eredità di sei anni come una delle GT più equilibrate di Maserati.

Alimentata da un motore V8 da 4,2 litri e 255 cavalli, la coupé 2 porte 2+2 era una vera Gran Turismo, nel senso che era lussuosa, pratica per i lunghi viaggi e veloce. La velocità massima era di circa 250 km/h.

Leggi di più >>

Il primo modello lanciato per questa straordinaria macchina con motore anteriore e trazione posteriore fu l'Indy 4200 (4200 cc/4,2 litri), seguito nel 1970 dall'Indy 4700 (4700 cc/4,7 litri) e nel 1972 fu aggiunta alla gamma l'Indy 4900 (4900 cc/4,9 litri).

Con la sua carrozzeria elegante, era lecito pensare che non si trattasse di un vero 2+2. Tra le sue altre caratteristiche positive, poteva ospitare quattro passeggeri adulti.

Il cambio manuale a 5 marce era di serie, con la possibilità di passare a un automatico Borg-Warner a 3 rapporti. Il sito web di Maserati riporta che tra le altre dotazioni di serie figuravano un piantone dello sterzo regolabile in due direzioni , un bloccasterzo antifurto, rivestimenti in pelle, finestrini elettrici oscurati, sedili reclinabili , fendinebbia e lunotto posteriore riscaldabile.

Gli interni della Maserati Indy erano sontuosi e ben arredati, con materiali di alta qualità e attenzione ai dettagli . I sedili erano spaziosi e comodi, e l'auto offriva ampio spazio per le gambe e per la testa ai passeggeri.

Sotto la guida di Citroën, la Indy ricevette diversi miglioramenti, tra cui l'introduzione di un sistema frenante idraulico nel 1973. Di tutte le versioni, ne furono prodotti 1.104 esemplari: 440 della 4200, 364 della 4700 e 300 dell'ultima 4900.

Suggestiva da vedere ed emozionante da guidare, la Indy fondeva il carisma italiano con la funzionalità di una gran turismo. Per chi aveva la fortuna di provarne una, non era solo un mezzo di trasporto: era un'espressione toccante dell'epoca d'oro di Maserati, spinta da un V8 che cantava con intensità e anima.

Investi nell'eccellenza: proteggi la tua Maserati Indy con ricambi originali

Quando si tratta di mantenere la tua Maserati Indy in condizioni impeccabili e garantirne prestazioni durature, Eurospares è il tuo partner di fiducia. Siamo leader mondiali nella fornitura di una gamma completa di ricambi originali e OEM per Maserati Indy, soddisfacendo ogni aspetto delle esigenze di manutenzione e restauro del tuo veicolo.

Il nostro ampio inventario comprende ogni componente, dai complessi gruppi frizione ai robusti paraurti e alle essenziali pompe dell'acqua . Che cerchiate sedili e rivestimenti completi per un lussuoso aggiornamento degli interni o ricambi specifici per riparazioni meccaniche, Eurospares ha la soluzione che fa per voi.

Per trovare i ricambi Indy di cui hai bisogno, puoi utilizzare i diagrammi dettagliati per individuare con precisione i componenti di cui hai bisogno . I nostri diagrammi forniscono illustrazioni chiare e un elenco completo dei componenti, assicurandoti di selezionare i ricambi giusti per il tuo modello Indy.

Inoltre, sfogliate la nostra selezione accurata nella vetrina ricambi per visualizzare i ricambi Indy disponibili in magazzino e scoprire un'ampia gamma di ricambi disponibili per la spedizione immediata. Con il nostro vasto inventario, diagrammi dei ricambi intuitivi, kit di assistenza, ricambi usati e supporto di esperti, Eurospares è il vostro punto di riferimento per tutti i ricambi Maserati Indy.

Consegna rapida in tutto il mondo disponibile

Sappiamo che la tua Maserati Indy è un bene prezioso e che non vuoi che si verifichino tempi di inattività per quanto riguarda riparazioni o manutenzione.

Siate certi che ci impegniamo a consegnarvi i ricambi di cui avete bisogno il più rapidamente possibile. Offriamo la consegna il giorno successivo nel Regno Unito, negli Stati Uniti, in Francia, in Germania e in Italia. Per altre destinazioni internazionali, tra cui Australia, Dubai e Giappone, offriamo opzioni di consegna rapida per garantire che i vostri ricambi vi raggiungano in soli due giorni .

Ogni ordine viene imballato professionalmente da appassionati di supercar utilizzando materiali d'imballaggio di alta qualità. Puoi stare certo che i tuoi preziosi ricambi per la Maserati Indy arriveranno in perfette condizioni.

Ci impegniamo a fornirti pezzi di ricambio della massima qualità, prezzi competitivi e un servizio clienti eccezionale, per garantire che la tua Maserati Indy continui a offrirti l'esperienza di guida eccezionale che meriti.

Preserva l'eredità con Eurospares

La nostra passione per i ricambi Maserati va oltre il nostro ampio inventario e i prezzi competitivi. Il nostro team di esperti possiede una profonda conoscenza delle complessità della Maserati Indy, ed è pronto a fornirvi assistenza e guida personalizzate durante tutto il processo di selezione dei ricambi.

Che tu stia cercando consigli su un ricambio specifico o necessiti di assistenza per orientarti nel nostro ampio catalogo, il nostro team è a tua completa disposizione. Il nostro obiettivo è aiutarti a mantenere la tua Maserati Indy in perfette condizioni e siamo qui per aiutarti a trovare esattamente i ricambi di cui hai bisogno.