un diagramma delle parti dal catalogo delle parti maserati ghibli 2.0 cup
Ghibli (1993-1995)

Ghibli 2.0 Cup

un diagramma delle parti dal catalogo delle parti maserati ghibli 2.8 (abs)
Ghibli (1993-1995)

Ghibli 2.8 (ABS)

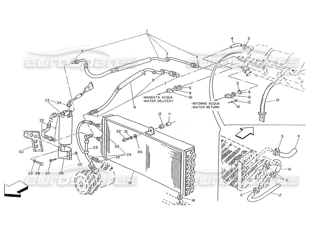
un diagramma delle parti dal catalogo delle parti maserati ghibli 2.8 (non abs)
Ghibli (1993-1995)

Ghibli 2.8 (Non ABS)

un diagramma delle parti dal catalogo delle parti maserati ghibli 2.8 gt (variante)
Ghibli (1993-1995)

Ghibli 2.8 GT (Variante)

Maserati Ghibli (1993–1995): un mix di tradizione e innovazione

Nel 1992 la Maserati presentò una nuova gran turismo a due porte che fondeva alte prestazioni, lusso e comfort in un pacchetto elegante e raffinato.

Riprendendo il nome leggendario del classico del 1967 (prima generazione) , la Ghibli di seconda generazione è diventata l'evoluzione finale e più raffinata della piattaforma Biturbo , la stessa architettura che aveva mantenuto in vita Maserati negli anni '80.

Leggi di più >>

La produzione durò dal 1992 al 1998, con due motori V6 disponibili: un 2,8 litri per l'esportazione e un 2,0 litri per il mercato interno italiano.

Il motore biturbo da 2,8 litri erogava tra 260 e 284 CV a seconda del mercato e dell'anno, mentre il 2,0 litri, sviluppato per aggirare le severe leggi fiscali italiane sui veicoli con cilindrata superiore a 2,0 litri, era il vero e proprio petardo.

Un'intelligente messa a punto ha permesso al più piccolo 2.0 litri di erogare fino a 306 CV, con una ferocia che lo ha reso un cult tra gli appassionati . L'accelerazione era brillante: da 0 a 100 km/h in circa 6 secondi per il 2.8, con una velocità massima di quasi 250 km/h. Ma i numeri raccontano solo metà della storia.

La magia della Ghibli risiedeva nella sua erogazione, nell'incalzante accelerazione dei due turbocompressori IHI, nell'impeto della spinta sotto il piede destro e in quell'avvincente mix di ringhio meccanico e chiacchiericcio della wastegate che solo un V6 turbo italiano poteva creare.

Nonostante le dimensioni compatte, le linee decise della Ghibli, disegnate da Gandini, i passaruota svasati e la posizione bassa e larga le conferivano una presenza in grado di rivaleggiare con quelle di gran turismo molto più grandi.

Lo stile frizzante degli anni '90 era abbinato al lusso tradizionale Maserati: pelle Connolly, finiture in radica di olmo rifinite a mano e un abitacolo che univa l'eleganza a un senso di funzionalità vagamente squilibrato.

Nel 1996, la Maserati presentò la Ghibli GT, un'evoluzione raffinata.

Basata ancora sul telaio monoscocca Biturbo, la vettura ha ricevuto aggiornamenti chiave: un cambio Getrag a 6 rapporti più potente, sospensioni regolabili , cerchi in lega da 17 pollici a 7 razze e un differenziale posteriore potenziato. Queste modifiche hanno affinato le doti da gran turismo della Ghibli senza perdere il carattere viscerale che la rendeva così coinvolgente.

Con il suo aspetto muscoloso, i dettagli curati nei minimi dettagli e l'irripetibile mix di raffinatezza e austerità, la Ghibli degli anni '90 rimane un'auto con una vera anima. È un'auto che può sfrecciare a tutta velocità lungo un'autostrada, per poi mostrare i denti quello dopo. Per molti appassionati di Maserati, è l'ultima delle auto veramente rifinite a mano prima che l'era moderna prendesse il sopravvento.

Esperti in ricambi per Maserati Ghibli

Qui da Eurospares non nascondiamo la nostra adorazione per Maserati e per tutto ciò che riguarda le auto, dal modo in cui guidano al loro aspetto! Siamo orgogliosi di essere un fornitore leader di ricambi Maserati e facciamo del nostro meglio per fornirvi ogni pezzo per ogni modello.

Disponiamo di un'enorme quantità di quasi tutti i ricambi originali Maserati Ghibli disponibili . Forniamo dischi freno , testate , ammortizzatori , sedili , cerchi e molto altro!

Inoltre, disponiamo di kit di ricambi per la Maserati Ghibli, come la revisione delle guarnizioni o la sostituzione della cinghia di distribuzione. Per visualizzare tutti i ricambi disponibili, visita la nostra pagina dedicata o contattaci: ti aiuteremo a trovare tutti i ricambi di cui hai bisogno.

Fornitore globale di ricambi per Maserati Ghibli

Ogni giorno il nostro team di appassionati di supercar seleziona e imballa gli ordini dei clienti, preparandoli per la spedizione in tutto il mondo. Qualsiasi componente, dalla più piccola Rondella al più grande telaio, può essere prelevato e imballato professionalmente e consegnato in modo sicuro ai clienti in tutto il mondo.

Per i pezzi in magazzino offriamo una spedizione rapida il giorno successivo nel Regno Unito, negli Stati Uniti, in Francia, in Germania e in Italia, con opzioni express che raggiungono anche Australia, Giappone e la maggior parte degli altri Paesi in soli 2 giorni.

Grazie al nostro team interno di demolitori, sul nostro sito web sono disponibili anche ricambi usati per la Maserati Ghibli . Non è mai bello vedere un'auto sportiva tanto ambita come la Ghibli in uno stato di disperazione e bisognosa di essere smontata per recuperarne i pezzi, ma guardate il lato positivo sapendo che Eurospares ha ricambi usati a prezzi accessibili per garantire che il vostro investimento rimanga su strada e in pista.

Prezzi competitivi e servizio ineguagliabile dal 1985

In Eurospares, il nostro impegno per ricambi di qualità e un servizio clienti eccellente è alimentato dalla nostra passione per tutti i veicoli Maserati. Dal 1985 ci impegniamo a tenere a magazzino una vasta gamma di ricambi e a offrirti l'accesso a tutti i ricambi a prezzi altamente competitivi.

Per un'assistenza personalizzata, visita la nostra pagina dei contatti e contatta il nostro team disponibile, pronto ad aiutarti a trovare esattamente i pezzi di ricambio Ghibli di cui hai bisogno.