Mostra tutto

033 - SCUDO TERMICO
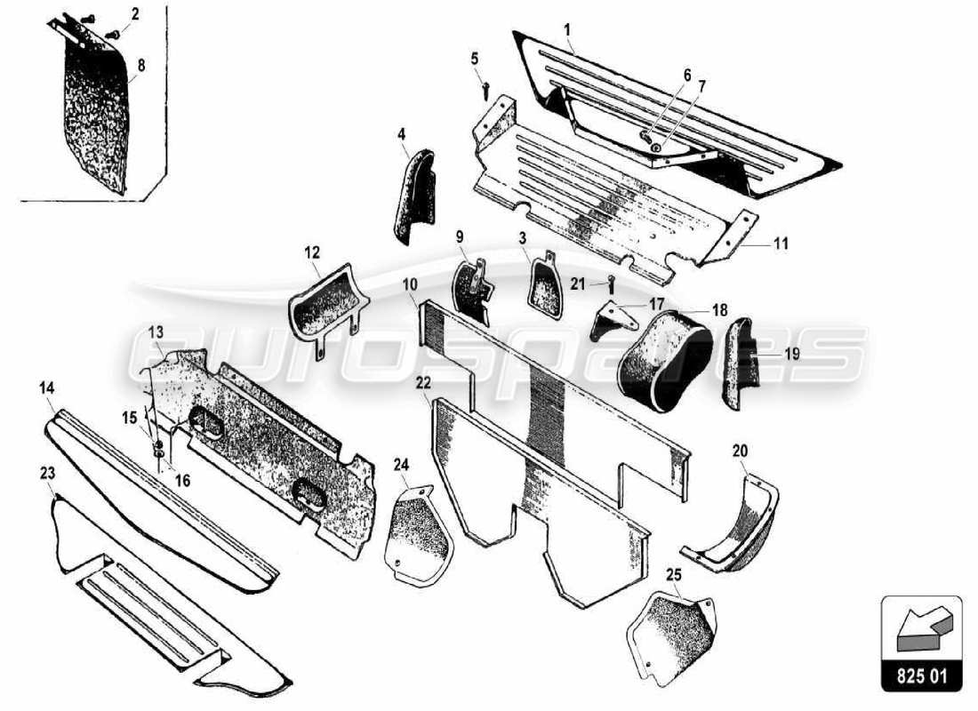
Lamborghini Miura P400S Heat Shield Diagramma delle parti
Visualizza il diagramma delle parti esplose per trovare la parte che stai cercando
- Puoi riposizionare il diagramma trascinandolo
- È possibile ingrandire e rimpicciolire il diagramma scorrendo, pizzicando o utilizzando ilEpulsanti
- È possibile reimpostare il diagramma utilizzando il comandopulsante
Visualizza tutte le informazioni sui prezzi e sulla disponibilità delle parti nella tabella delle parti A destrasotto
- È possibile fare clic su un hotspot
nello schema delle parti per individuare la parte nella tabella
- Puoi utilizzare le opzioni filtro, nella scheda filtro, per nascondere parti non pertinenti alla tua ricerca
Passare da un diagramma di parte all'altro utilizzando il comandoEpulsanti o utilizzare le immagini del diagramma di seguito
Ti consigliamo di visualizzare questa pagina con orientamento orizzontale per la migliore esperienza
Chiave della parte
ST
Parte in magazzino
PS
Disponibile in un set parziale
SS
Sostituzione della parte in stock
PS
Disponibile in un set parziale su ordinazione (In base alla disponibilità)
SO
Parte disponibile su ordinazione (In base alla disponibilità)
PK
Disponibile in un kit di parti
# 001
MPN: 006104344
PARATIA POST.TRASVERS.
# 002
MPN: 008700405
VITE DI BLOCCAGGIO 4.8X9.5DIN7981/N
da £0,54
da £0,54
# 003
MPN: 001604348
PROTEZIONE LAMPADINA
# 004
MPN: 006104340
-
# 005
MPN: 008700306
COLTELLO A VITE B3.5X16DIN7971
da £1,76
da £1,76
# 006
MPN: 008200504
M5 DADO SPECIALE SX
da £10,87
da £10,87
# 007
MPN: 008410503
Rondella DIN 137A 5.3X10 ZGD.
Superamento
Superamento
# 008
MPN: 001605265
PARATIA BOBINE MIURA
da £481,90
da £481,90
# 009
MPN: 001604346
PARATIA ALTERNATORE
# 010
MPN: 006104363
-
# 011
MPN: 006104159
-
# 012
MPN: 001604345
PARATIA MOT.AVVIAMENTO
# 013
MPN: 001704258
PARATIA RADIATORE LIQUIDO REFRIGERANTE
da £589,26
da £589,26
# 014
MPN: 001704267
PARATIA RADIATORE LIQUIDO REFRIGERANTE
da £99,97
da £99,97
# 015
MPN: 008200604
NOCE
Superamento
Superamento
# 016
MPN: 008410603
Rondella D.6.4 UNI 1751/ZD
Superamento
Superamento
# 017
MPN: 001604362
DISTRIBUTORE A PARATIA
# 018
MPN: 001604347
PARATIA DISTRIBUTORE
da £396,50
da £396,50
# 019
MPN: 006104341
-
# 020
MPN: 002104260
CUFFIA PARAPOLVERE FRIZIONE
da £426,09
da £426,09
# 021
MPN: 008700410
VITE M4X16 UNI 6109/5S
da £1,90
da £1,90
# 022
MPN: 006104364
-
# 023
MPN: 001704338
PARATIA INFERIORE RADIATORE LIQUIDO REFRIGERANTE D
da £395,00
da £395,00