Mostra tutto 
-part-diagram-007.webp) 
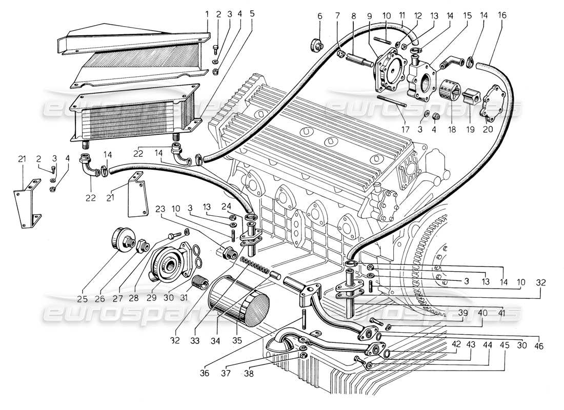
                                                               007 - Pompa e sistema dell'olio
Lamborghini Jalpa 3.5 (1984) Oil Pump and System Diagramma delle parti
Visualizza il diagramma delle parti esplose per trovare la parte che stai cercando
- Puoi riposizionare il diagramma trascinandolo
- È possibile ingrandire e rimpicciolire il diagramma scorrendo, pizzicando o utilizzando ilEpulsanti
- È possibile reimpostare il diagramma utilizzando il comandopulsante
Visualizza tutte le informazioni sui prezzi e sulla disponibilità delle parti nella tabella delle parti A destrasotto
- È possibile fare clic su un hotspot  nello schema delle parti per individuare la parte nella tabella 
- Puoi utilizzare le opzioni filtro, nella scheda filtro, per nascondere parti non pertinenti alla tua ricerca
Passare da un diagramma di parte all'altro utilizzando il comandoEpulsanti o utilizzare le immagini del diagramma di seguito
Ti consigliamo di visualizzare questa pagina con orientamento orizzontale per la migliore esperienza
Chiave della parte
ST
Parte in magazzino
PS
Disponibile in un set parziale
SS
Sostituzione della parte in stock
PS
Disponibile in un set parziale su ordinazione (In base alla disponibilità)
SO
Parte disponibile su ordinazione (In base alla disponibilità)
PK
Disponibile in un kit di parti
# 001
MPN: 007853002
CONVOGLIATORE D'ARIA
Convoglio aria x radiatori olio
da  £133,11 
da  £133,11 
# 002
MPN: 008100625
BULLONE
Toro. M6x16 UNI 5739/8G
da  £76,44 
da  £76,44 
# 003
MPN: 008400606
Rondella
Rondò. 6,4 UNI 1734
Superamento 
Superamento 
# 004
MPN: 008200606
NOCE
DADO N/70/106M
Superamento 
Superamento 
# 005
MPN: 001520345
RADIATORE OLIO
RADIATORE OLIO
da  £1.205,79 
da  £1.205,79 
# 006
MPN: 001520326
GIUNTO
Innesto su asse a camme x giunto acroce
da  £25,16 
da  £25,16 
# 007
MPN: 001520335
CROCE COMPL.
Giunto a croce
da  £18,12 
da  £18,12 
# 008
MPN: 001520340
ALBERO ROTORE
Albero x rotore interno
da  £25,08 
da  £25,08 
# 009
MPN: 001520311
SUPPORTO POMPA OLIO
Supp. corpo pompa olio bassa press
da  £81,09 
da  £81,09 
# 010
MPN: 008300604
BULLONE
Prig. M6x13 Ric. UNI 5914 8G
da  £12,29 
da  £12,29 
# 011
MPN: 001520632
TUBO
Tubo coll. pompa bassa press, a radiat
da  £64,80 
da  £64,80 
# 012
MPN: WHT001197
RONDELLA Rondella
Ros. EL. 6,4x12x0,5
Superamento 
Superamento 
# 013
MPN: 008200601
NOCE
Dado M6 UNI 5588-65/A
da  £2,28 
da  £2,28 
# 014
MPN: 008830206
ANELLO DI MORSETTO
Fasc. reale 00/12 18/30
da  £12,70 
da  £12,70 
# 015
MPN: 001520827
POMPA, ALLOGGIAMENTO
Compl. corpo pompa olio bassa press.
da  £225,63 
da  £225,63 
# 016
MPN: 001520633
TUBO
Tubo coll. dalla coppa A pompa B press.
da  £36,88 
da  £36,88 
# 017
MPN: 008300646
BULLONI
PRIGIONIERO
# 018
MPN: 001520320
INTERRUTTORE
Rotore est. pompa olio
da  £253,19 
da  £253,19 
# 019
MPN: 001520325
ROTORE NIS
Rotore int. pompa olio
da  £253,19 
da  £253,19 
# 020
MPN: 001520319
O. COVELLA DELLA POMPA
COPERCHIO POMPA OLIO
da  £24,75 
da  £24,75 
# 021
MPN: 001520299
STAFFA RAD
Staffa interm. litigare. radiatore olio
da  £28,66 
da  £28,66 
# 022
MPN: 001520634
UNIONE RAD
Raccordo x radiatore olio
da  £332,15 
da  £332,15 
# 023
MPN: 001507628
TAPPO DELLA VALVOLA
Tappo valv. premere. olio/U
da  £12,05 
da  £12,05 
# 024
MPN: 001820625
VENTOSA DELL'OLIO
Compl. pescante da coppa olio a radiatori
da  £35,42 
da  £35,42 
# 025
MPN: 001508565
PREMERE INVIA.
Trasm. pressa, olio
da  £1.189,44 
da  £1.189,44 
 Questa parte sostituisce il numero di parte 001501494 
# 026
MPN: 001806009
STAMPA FITTI
Riduz. trasm. premere. olio/U
da  £17,01 
da  £17,01 
# 027
MPN: 008100830
BULLONE
Toro. M8x20 UNI 5739/8G
Superamento 
Superamento 
# 028
MPN: WHT001514
RONDELLA Rondella
Ros. EL. 8,4x17x0,8
da  £15,69 
da  £15,69 
 Questa parte sostituisce il numero di parte 008410805 
# 029
MPN: 001512706
SUPPORTO
Supp. filtro olio/U
da  £100,14 
da  £100,14 
# 030
MPN: 008602301
ANELLO DI TENUTA
Anello OR 2093
da  £1,18 
da  £1,18 
# 031
MPN: 001505918
BUSSOLA FILTRO
Bussola fermo filtro olio
da  £26,99 
da  £26,99 
# 032
MPN: 001820626
GUARNIZIONE
Guam, x pescante olio sul sottobasamento
da  £8,51 
da  £8,51 
# 033
MPN: 001500927
PRIMAVERA
Valvola Molla pressa, olio'
da  £8,63 
da  £8,63 
# 034
MPN: 001810982
VALVOLA PISTO
Pista. valv. premere. olio/U
da  £26,66 
da  £26,66 
# 035
MPN: 001505914
FILTRO DELL'OLIO
(UFI)
da  £30,55 
da  £30,55 
# 036
MPN: 008300807
PERNO FILETTATO
M8x50 UNI 5911-66A 8G
Superamento 
Superamento 
# 037
MPN: 008410806
RONDELLA Rondella
Rondò. EL. A8,4 UNI 1751
Superamento 
Superamento 
# 038
MPN: 008200806
NOCE
Dado M8 UNI 5588-65/8G
Superamento 
Superamento 
# 039
MPN: 008100629
BULLONE
Toro M6x22 UNI 5739/8G
da  £0,53 
da  £0,53 
# 040
MPN: 008410602
RONDELLA Rondella
Ros. EL. 6,4x12x0,5
da  £28,01 
da  £28,01 
# 041
MPN: 001820624
TUBO OLIO
Compl. tubo ritorno olio in coppa
da  £16,20 
da  £16,20 
# 042
MPN: 008603101
ANELLO DI TENUTA
Anello OR 2125
da  £2,31 
da  £2,31 
# 043
MPN: 001811008
TUBO GUARNIZIONE
Tubo aspiraz. olio/U
da  £39,77 
da  £39,77 
# 044
MPN: 008410603
RONDELLA Rondella
Rondò. A6,4 UNI 1761 C72
Superamento 
Superamento 
# 045
MPN: 008100618
BULLONE
Toro. M6x20 UNI 5739-8G
Superamento 
Superamento 
# 046
MPN: 001810981
REGOLAZIONE PRESSIONE
Corpo Reg. Premere. olio/U x
da  £652,09 
da  £652,09 
 Eurospares
 Eurospares-part-diagram-008.webp) 
 -part-diagram-009.webp) 
 -part-diagram-010.webp) 
 -part-diagram-010a.webp) 
 -part-diagram-011.webp) 
 -part-diagram-012.webp) 
 -part-diagram-013.webp) 
 -part-diagram-014.webp) 
 -part-diagram-015.webp) 
 -part-diagram-016.webp) 
 -part-diagram-017.webp) 
 -part-diagram-018.webp) 
 -part-diagram-019.webp) 
 -part-diagram-020.webp) 
 -part-diagram-021.webp) 
 -part-diagram-022.webp) 
 -part-diagram-023.webp) 
 -part-diagram-024.webp) 
 -part-diagram-025.webp) 
 -part-diagram-026.webp) 
 -part-diagram-027.webp) 
 -part-diagram-028.webp) 
 -part-diagram-029.webp) 
 -part-diagram-030.webp) 
 -part-diagram-030a.webp) 
 -part-diagram-030b.webp) 
 -part-diagram-031.webp) 
 -part-diagram-032.webp) 
 -part-diagram-033.webp) 
 -part-diagram-033a.webp) 
 -part-diagram-034.webp) 
 -part-diagram-035.webp) 
 -part-diagram-036.webp) 
 -part-diagram-037.webp) 
 -part-diagram-038.webp) 
 -part-diagram-039.webp) 
 -part-diagram-040.webp) 
 -part-diagram-041.webp) 
 -part-diagram-042.webp) 
 -part-diagram-042a.webp) 
 -part-diagram-043.webp) 
 -part-diagram-044.webp) 
 -part-diagram-045.webp) 
 -part-diagram-046.webp) 
 -part-diagram-047.webp) 
 -part-diagram-048.webp) 
 -part-diagram-048b.webp) 
 -part-diagram-049.webp) 
 -part-diagram-050.webp) 
 -part-diagram-051.webp) 
 -part-diagram-052.webp) 
 -part-diagram-001.webp) 
 -part-diagram-002.webp) 
 -part-diagram-003.webp) 
 -part-diagram-004.webp) 
 -part-diagram-005.webp) 
 -part-diagram-005a.webp) 
 -part-diagram-005b.webp) 
 -part-diagram-006.webp)