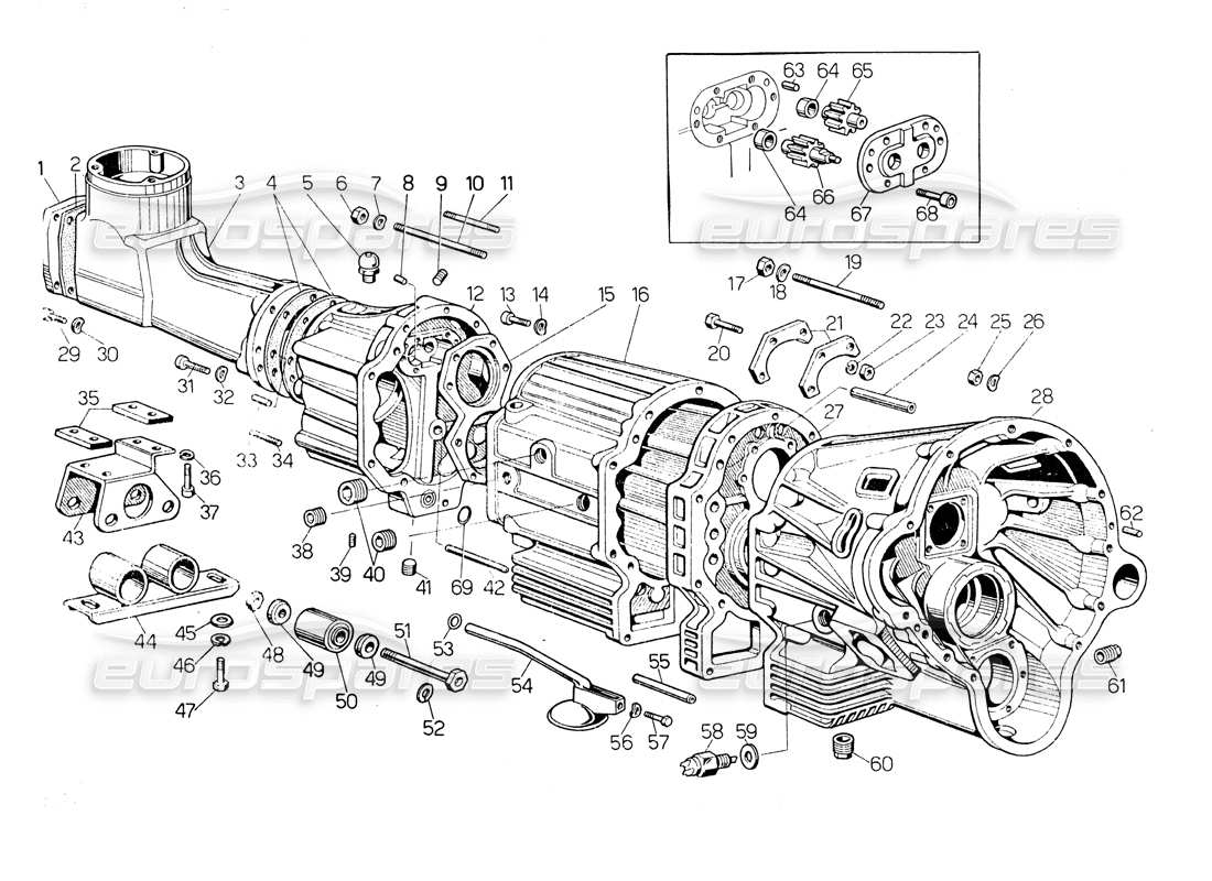
lamborghini countach lp400 riduttore diagramma delle parti

015 - Riduttore

Lamborghini Countach LP400 Gearbox Diagramma delle parti

Visualizza il diagramma delle parti esplose per trovare la parte che stai cercando
  • Puoi riposizionare il diagramma trascinandolo
  • È possibile ingrandire e rimpicciolire il diagramma scorrendo, pizzicando o utilizzando ilEpulsanti
  • È possibile reimpostare il diagramma utilizzando il comandopulsante
Visualizza tutte le informazioni sui prezzi e sulla disponibilità delle parti nella tabella delle parti A destrasotto
  • È possibile fare clic su un hotspot nello schema delle parti per individuare la parte nella tabella
  • Puoi utilizzare le opzioni filtro, nella scheda filtro, per nascondere parti non pertinenti alla tua ricerca
Passare da un diagramma di parte all'altro utilizzando il comandoEpulsanti o utilizzare le immagini del diagramma di seguito
Ti consigliamo di visualizzare questa pagina con orientamento orizzontale per la migliore esperienza
Chiave della parte
ST
Parte in magazzino
PS
Disponibile in un set parziale
SS
Sostituzione della parte in stock
PS
Disponibile in un set parziale su ordinazione (In base alla disponibilità)
SO
Parte disponibile su ordinazione (In base alla disponibilità)
PK
Disponibile in un kit di parti
                                                                                                                                            #
                                                                                                                                            Numero di parte
                                                                                                                                            Descrizione
                                                                                                                                            Prezzo
                                                                                                                                            # 001
                                                                                                                                            MPN: 002408070
                                                                                                                                            COPERCHIETTO SUPPORTO LAVA COM. CAMBIO
                                                                                                                                            da £214,28
                                                                                                                                            da £214,28
                                                                                                                                            # 002
                                                                                                                                            MPN: 002408086
                                                                                                                                            GUARNIZIONE
                                                                                                                                            da £12,11
                                                                                                                                            da £12,11
                                                                                                                                            # 003
                                                                                                                                            MPN: 002409790
                                                                                                                                            SUPPORTO
                                                                                                                                            da £753,94
                                                                                                                                            da £753,94
                                                                                                                                            # 004
                                                                                                                                            MPN: 002409878
                                                                                                                                            GUARNIZIONE
                                                                                                                                            da £29,67
                                                                                                                                            da £29,67
                                                                                                                                            # 005
                                                                                                                                            MPN: 002302182
                                                                                                                                            SFIATO OLIO
                                                                                                                                            da £166,62
                                                                                                                                            da £166,62
                                                                                                                                            # 006
                                                                                                                                            MPN: 008200605
                                                                                                                                            NOCE
                                                                                                                                            da £2,04
                                                                                                                                            da £2,04
                                                                                                                                            # 007
                                                                                                                                            MPN: 008400606
                                                                                                                                            Rondella
                                                                                                                                            Superamento
                                                                                                                                            Superamento
                                                                                                                                            # 008
                                                                                                                                            MPN: 008850806
                                                                                                                                            TASSELLO DI POSIZIONAMENTO
                                                                                                                                            Superamento
                                                                                                                                            Superamento
                                                                                                                                            # 009
                                                                                                                                            MPN: 008930901
                                                                                                                                            TAPPO
                                                                                                                                            da £6,97
                                                                                                                                            da £6,97
                                                                                                                                            # 010
                                                                                                                                            MPN: 008300622
                                                                                                                                            PERNO FILETTATO
                                                                                                                                            da £8,21
                                                                                                                                            da £8,21
                                                                                                                                            # 011
                                                                                                                                            MPN: 008300623
                                                                                                                                            PERNO FILETTATO
                                                                                                                                            da £11,44
                                                                                                                                            da £11,44
                                                                                                                                            # 012
                                                                                                                                            MPN: 002409834
                                                                                                                                            COPERTINA
                                                                                                                                            da £775,09
                                                                                                                                            da £775,09
                                                                                                                                            # 013
                                                                                                                                            MPN: 008100636
                                                                                                                                            BULLONE
                                                                                                                                            da £0,50
                                                                                                                                            da £0,50
                                                                                                                                            # 014
                                                                                                                                            MPN: 008410602
                                                                                                                                            Rondella
                                                                                                                                            da £31,37
                                                                                                                                            da £31,37
                                                                                                                                            # 015
                                                                                                                                            MPN: 002409792
                                                                                                                                            COPERTINA
                                                                                                                                            da £298,99
                                                                                                                                            da £298,99
                                                                                                                                            # 016
                                                                                                                                            MPN: 002409857
                                                                                                                                            SCATOLA POSTERIORE CAMBIO .
                                                                                                                                            da £31.511,60
                                                                                                                                            da £31.511,60
                                                                                                                                            # 017
                                                                                                                                            MPN: 008200806
                                                                                                                                            NOCE
                                                                                                                                            Superamento
                                                                                                                                            Superamento
                                                                                                                                            # 018
                                                                                                                                            MPN: WHT001514
                                                                                                                                            Rondella
                                                                                                                                            da £17,62
                                                                                                                                            da £17,62
                                                                                                                                            Questa parte sostituisce il numero di parte 008410805
                                                                                                                                            # 019
                                                                                                                                            MPN: 008300842
                                                                                                                                            PRIGIONI
                                                                                                                                            da £0,50
                                                                                                                                            da £0,50
                                                                                                                                            # 020
                                                                                                                                            MPN: 008100635
                                                                                                                                            BULLONE
                                                                                                                                            # 021
                                                                                                                                            MPN: 002409879
                                                                                                                                            PIATTO
                                                                                                                                            da £49,36
                                                                                                                                            da £49,36
                                                                                                                                            # 022
                                                                                                                                            MPN: 008410603
                                                                                                                                            Rondella
                                                                                                                                            Superamento
                                                                                                                                            Superamento
                                                                                                                                            # 023
                                                                                                                                            MPN: 008200604
                                                                                                                                            NOCE
                                                                                                                                            Superamento
                                                                                                                                            Superamento
                                                                                                                                            # 024
                                                                                                                                            MPN: 008851003
                                                                                                                                            TASSELLO DI POSIZIONAMENTO
                                                                                                                                            da £16,26
                                                                                                                                            da £16,26
                                                                                                                                            # 025
                                                                                                                                            MPN: N01100845
                                                                                                                                            NOCE
                                                                                                                                            da £0,47
                                                                                                                                            da £0,47
                                                                                                                                            Questa parte sostituisce il numero di parte 008200801 - e 2 altro. Fare clic per visualizzare i dettagli
                                                                                                                                            # 026
                                                                                                                                            MPN: WHT001514
                                                                                                                                            Rondella
                                                                                                                                            da £17,62
                                                                                                                                            da £17,62
                                                                                                                                            Questa parte sostituisce il numero di parte 008410805
                                                                                                                                            # 027
                                                                                                                                            MPN: 002408037
                                                                                                                                            DISTANZIATORE
                                                                                                                                            # 028
                                                                                                                                            MPN: 002409885
                                                                                                                                            CAMPANA FRIZIONE
                                                                                                                                            # 029
                                                                                                                                            MPN: 008700614
                                                                                                                                            VITE
                                                                                                                                            Superamento
                                                                                                                                            Superamento
                                                                                                                                            # 030
                                                                                                                                            MPN: 008410602
                                                                                                                                            Rondella
                                                                                                                                            da £32,92
                                                                                                                                            da £32,92
                                                                                                                                            # 031
                                                                                                                                            MPN: 008700625
                                                                                                                                            VITE
                                                                                                                                            da £0,52
                                                                                                                                            da £0,52
                                                                                                                                            # 032
                                                                                                                                            MPN: 008410602
                                                                                                                                            Rondella
                                                                                                                                            da £32,70
                                                                                                                                            da £32,70
                                                                                                                                            # 033
                                                                                                                                            MPN: 008050812
                                                                                                                                            TASSELLO DI POSIZIONAMENTO
                                                                                                                                            # 034
                                                                                                                                            MPN: 008300621
                                                                                                                                            PERNO FILETTATO
                                                                                                                                            da £3,23
                                                                                                                                            da £3,23
                                                                                                                                            # 035
                                                                                                                                            MPN: 002412089
                                                                                                                                            PIATTO
                                                                                                                                            # 036
                                                                                                                                            MPN: 008410806
                                                                                                                                            Rondella
                                                                                                                                            Superamento
                                                                                                                                            Superamento
                                                                                                                                            # 037
                                                                                                                                            MPN: 008700811
                                                                                                                                            VITE
                                                                                                                                            da £0,53
                                                                                                                                            da £0,53
                                                                                                                                            # 038
                                                                                                                                            MPN: 008931603
                                                                                                                                            TAPPO
                                                                                                                                            da £6,97
                                                                                                                                            da £6,97
                                                                                                                                            # 039
                                                                                                                                            MPN: 008700606
                                                                                                                                            VITE
                                                                                                                                            da £0,51
                                                                                                                                            da £0,51
                                                                                                                                            VITE EI M6X1X10 12KD Genuine Lamborghini - Nuovo (altro) in magazzino
                                                                                                                                            (Valido per la versione giugno 1992) GRAND (dalla 12678)
                                                                                                                                            # 040
                                                                                                                                            MPN: 008931901
                                                                                                                                            TAPPO
                                                                                                                                            da £3,90
                                                                                                                                            da £3,90
                                                                                                                                            # 041
                                                                                                                                            MPN: 008931301
                                                                                                                                            TAPPO
                                                                                                                                            da £5,15
                                                                                                                                            da £5,15
                                                                                                                                            # 042
                                                                                                                                            MPN: 002408626
                                                                                                                                            CONDOTTO OLIO CAMBIO
                                                                                                                                            da £44,30
                                                                                                                                            da £44,30
                                                                                                                                            # 043
                                                                                                                                            MPN: 002409836
                                                                                                                                            SUPPORTO
                                                                                                                                            da £199,93
                                                                                                                                            da £199,93
                                                                                                                                            # 044
                                                                                                                                            MPN: 002409837
                                                                                                                                            TRAVERSA SUPPORTO CAMBIO
                                                                                                                                            # 045
                                                                                                                                            MPN: N90179103
                                                                                                                                            Rondella
                                                                                                                                            da £1,21
                                                                                                                                            da £1,21
                                                                                                                                            Questa parte sostituisce il numero di parte 008400801
                                                                                                                                            # 046
                                                                                                                                            MPN: 008410806
                                                                                                                                            Rondella
                                                                                                                                            Superamento
                                                                                                                                            Superamento
                                                                                                                                            # 047
                                                                                                                                            MPN: 008100809
                                                                                                                                            BULLONE
                                                                                                                                            da £1,90
                                                                                                                                            da £1,90
                                                                                                                                            # 048
                                                                                                                                            MPN: 008201413
                                                                                                                                            NOCE
                                                                                                                                            da £5,15
                                                                                                                                            da £5,15
                                                                                                                                            # 049
                                                                                                                                            MPN: 002409835
                                                                                                                                            DISTANZIATORE
                                                                                                                                            da £9,78
                                                                                                                                            da £9,78
                                                                                                                                            # 050
                                                                                                                                            MPN: 0B9501144
                                                                                                                                            Supporto per supporto
                                                                                                                                            da £108,00
                                                                                                                                            da £108,00
                                                                                                                                            Questa parte sostituisce il numero di parte 008921408 - e 1 altro. Fare clic per visualizzare i dettagli
                                                                                                                                            # 051
                                                                                                                                            MPN: 008101418
                                                                                                                                            BULLONE
                                                                                                                                            da £27,38
                                                                                                                                            da £27,38
                                                                                                                                            # 052
                                                                                                                                            MPN: 008411401
                                                                                                                                            Rondella
                                                                                                                                            da £1,90
                                                                                                                                            da £1,90
                                                                                                                                            # 053
                                                                                                                                            MPN: 008601101
                                                                                                                                            GOMMINO DI TENUTA
                                                                                                                                            da £0,54
                                                                                                                                            da £0,54
                                                                                                                                            # 054
                                                                                                                                            MPN: 002409877
                                                                                                                                            PESCANTE POMPA OLIO CAMBIO
                                                                                                                                            da £79,31
                                                                                                                                            da £79,31
                                                                                                                                            # 055
                                                                                                                                            MPN: 008851003
                                                                                                                                            TASSELLO DI POSIZIONAMENTO
                                                                                                                                            da £16,26
                                                                                                                                            da £16,26
                                                                                                                                            # 056
                                                                                                                                            MPN: 008410602
                                                                                                                                            Rondella
                                                                                                                                            da £33,58
                                                                                                                                            da £33,58
                                                                                                                                            # 057
                                                                                                                                            MPN: 008100529
                                                                                                                                            BULLONE
                                                                                                                                            # 058
                                                                                                                                            MPN: 002409895
                                                                                                                                            TRASMETTITORE TEMPERATURA OLIO
                                                                                                                                            da £245,60
                                                                                                                                            da £245,60
                                                                                                                                            # 059
                                                                                                                                            MPN: 008401408
                                                                                                                                            Rondella
                                                                                                                                            da £1,29
                                                                                                                                            da £1,29
                                                                                                                                            # 060
                                                                                                                                            MPN: 086301141A
                                                                                                                                            TAPPO
                                                                                                                                            da £26,14
                                                                                                                                            da £26,14
                                                                                                                                            Questa parte sostituisce il numero di parte TN-03165
                                                                                                                                            # 061
                                                                                                                                            MPN: 01S409965
                                                                                                                                            TAPPO
                                                                                                                                            da £123,04
                                                                                                                                            da £123,04
                                                                                                                                            Questa parte sostituisce il numero di parte 008931802
                                                                                                                                            # 062
                                                                                                                                            MPN: 008850806
                                                                                                                                            TASSELLO DI POSIZIONAMENTO
                                                                                                                                            Superamento
                                                                                                                                            Superamento
                                                                                                                                            # 063
                                                                                                                                            MPN: 008850504
                                                                                                                                            TASSELLO DI POSIZIONAMENTO
                                                                                                                                            da £12,53
                                                                                                                                            da £12,53
                                                                                                                                            # 064
                                                                                                                                            MPN: 002408625
                                                                                                                                            CESPUGLIO
                                                                                                                                            da £42,31
                                                                                                                                            da £42,31
                                                                                                                                            # 065
                                                                                                                                            MPN: 002409858
                                                                                                                                            INGRANAGGIO CONDOTTO POMPA OLIO
                                                                                                                                            da £216,86
                                                                                                                                            da £216,86
                                                                                                                                            # 066
                                                                                                                                            MPN: 002409859
                                                                                                                                            INGRANAGGIO CONDUTTORE POMPA OLIO
                                                                                                                                            da £283,81
                                                                                                                                            da £283,81
                                                                                                                                            # 067
                                                                                                                                            MPN: 002403622
                                                                                                                                            COPERTINA
                                                                                                                                            # 068
                                                                                                                                            MPN: 008700614
                                                                                                                                            VITE
                                                                                                                                            Superamento
                                                                                                                                            Superamento
                                                                                                                                            # 069
                                                                                                                                            MPN: 008601502
                                                                                                                                            GOMMINO DI TENUTA
                                                                                                                                            da £1,95
                                                                                                                                            da £1,95