ferrari 365 gtc4 (mechanical) pompa acqua e olio diagramma delle parti

016 - Pompa acqua e olio

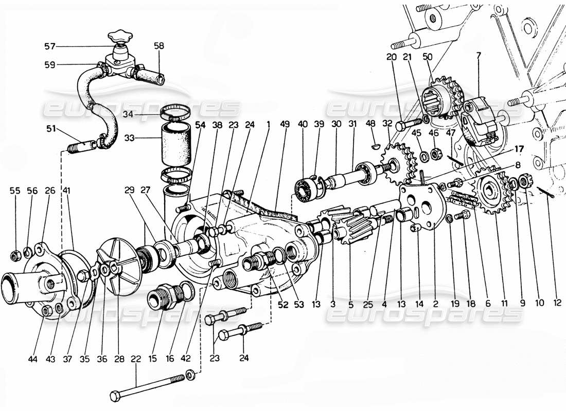
Ferrari 365 GTC4 (Mechanical) Water & Oil pump Diagramma delle parti

Visualizza il diagramma delle parti esplose per trovare la parte che stai cercando
  • Puoi riposizionare il diagramma trascinandolo
  • È possibile ingrandire e rimpicciolire il diagramma scorrendo, pizzicando o utilizzando ilEpulsanti
  • È possibile reimpostare il diagramma utilizzando il comandopulsante
Visualizza tutte le informazioni sui prezzi e sulla disponibilità delle parti nella tabella delle parti A destrasotto
  • È possibile fare clic su un hotspot nello schema delle parti per individuare la parte nella tabella
  • Puoi utilizzare le opzioni filtro, nella scheda filtro, per nascondere parti non pertinenti alla tua ricerca
Passare da un diagramma di parte all'altro utilizzando il comandoEpulsanti o utilizzare le immagini del diagramma di seguito
Ti consigliamo di visualizzare questa pagina con orientamento orizzontale per la migliore esperienza
Chiave della parte
ST
Parte in magazzino
PS
Disponibile in un set parziale
SS
Sostituzione della parte in stock
PS
Disponibile in un set parziale su ordinazione (In base alla disponibilità)
SO
Parte disponibile su ordinazione (In base alla disponibilità)
PK
Disponibile in un kit di parti
                                                                                                                      #
                                                                                                                      Numero di parte
                                                                                                                      Descrizione
                                                                                                                      Prezzo
                                                                                                                      # 001
                                                                                                                      MPN: 240713
                                                                                                                      CORPO POMPA OLIO E ACQUA
                                                                                                                      da £729,75
                                                                                                                      da £729,75
                                                                                                                      # 002
                                                                                                                      MPN: 240709
                                                                                                                      COPERTINA
                                                                                                                      Superamento
                                                                                                                      Superamento
                                                                                                                      # 003
                                                                                                                      MPN: 240423
                                                                                                                      INGRANAGGIO CONDOTTO
                                                                                                                      Superamento
                                                                                                                      Superamento
                                                                                                                      # 004
                                                                                                                      MPN: 240712
                                                                                                                      PERNO
                                                                                                                      Superamento
                                                                                                                      Superamento
                                                                                                                      # 005
                                                                                                                      MPN: 240736
                                                                                                                      ATTREZZATURA DI GUIDA
                                                                                                                      Superamento
                                                                                                                      Superamento
                                                                                                                      # 006
                                                                                                                      MPN: 100303
                                                                                                                      Catena comando pompa olio e pompaacqua
                                                                                                                      da £134,85
                                                                                                                      da £134,85
                                                                                                                      Questa parte sostituisce il numero di parte 240711
                                                                                                                      # 007
                                                                                                                      MPN: 114329
                                                                                                                      TENDICATENA
                                                                                                                      da £236,84
                                                                                                                      da £236,84
                                                                                                                      Questa parte sostituisce il numero di parte 100304
                                                                                                                      # 008
                                                                                                                      MPN: 10902231
                                                                                                                      BULLONE
                                                                                                                      # 009
                                                                                                                      MPN: 92507
                                                                                                                      Rondella
                                                                                                                      Superamento
                                                                                                                      Superamento
                                                                                                                      # 010
                                                                                                                      MPN: 95172
                                                                                                                      NOCE
                                                                                                                      Superamento
                                                                                                                      Superamento
                                                                                                                      # 011
                                                                                                                      MPN: 100295
                                                                                                                      INGRANAGGIO CONDOTTO ESTERNO
                                                                                                                      da £302,94
                                                                                                                      da £302,94
                                                                                                                      Questa parte sostituisce il numero di parte 240710
                                                                                                                      # 012
                                                                                                                      MPN: 10734400
                                                                                                                      COPPIGLIA
                                                                                                                      # 013
                                                                                                                      MPN: 100299
                                                                                                                      CESPUGLIO
                                                                                                                      da £12,77
                                                                                                                      da £12,77
                                                                                                                      # 014
                                                                                                                      MPN: 4146791
                                                                                                                      TASSELLO DI CENTRAGGIO
                                                                                                                      # 015
                                                                                                                      MPN: 100305
                                                                                                                      Nipplo per uscita olio
                                                                                                                      da £22,62
                                                                                                                      da £22,62
                                                                                                                      # 016
                                                                                                                      MPN: 10263460
                                                                                                                      GUARNIZIONE
                                                                                                                      da £0,53
                                                                                                                      da £0,53
                                                                                                                      Questa parte sostituisce il numero di parte 95119
                                                                                                                      # 017
                                                                                                                      MPN: 100300
                                                                                                                      SPILLO
                                                                                                                      da £1,69
                                                                                                                      da £1,69
                                                                                                                      # 018
                                                                                                                      MPN: 10902431
                                                                                                                      BULLONE
                                                                                                                      da £3,95
                                                                                                                      da £3,95
                                                                                                                      Questa parte sostituisce il numero di parte 10902430
                                                                                                                      # 019
                                                                                                                      MPN: 12601279
                                                                                                                      Rondella
                                                                                                                      da £0,53
                                                                                                                      da £0,53
                                                                                                                      Questa parte sostituisce il numero di parte 12601271 - e 2 altro. Fare clic per visualizzare i dettagli
                                                                                                                      # 020
                                                                                                                      MPN: 240770
                                                                                                                      BULLONE
                                                                                                                      # 021
                                                                                                                      MPN: 11198074
                                                                                                                      Rondella
                                                                                                                      da £0,54
                                                                                                                      da £0,54
                                                                                                                      Questa parte sostituisce il codice articolo 11198071 che abbiamo in magazzino - e 4 altro. Fare clic per visualizzare i dettagli
                                                                                                                      # 022
                                                                                                                      MPN: 95565
                                                                                                                      BULLONE
                                                                                                                      Superamento
                                                                                                                      Superamento
                                                                                                                      # 023
                                                                                                                      MPN: 16044821
                                                                                                                      BULLONE
                                                                                                                      da £0,47
                                                                                                                      da £0,47
                                                                                                                      # 024
                                                                                                                      MPN: 11198074
                                                                                                                      Rondella
                                                                                                                      da £0,53
                                                                                                                      da £0,53
                                                                                                                      Questa parte sostituisce il codice articolo 11198071 che abbiamo in magazzino - e 4 altro. Fare clic per visualizzare i dettagli
                                                                                                                      # 025
                                                                                                                      MPN: 92
                                                                                                                      Chiave
                                                                                                                      Superamento
                                                                                                                      Superamento
                                                                                                                      # 026
                                                                                                                      MPN: 104328
                                                                                                                      COPERTINA
                                                                                                                      da £846,99
                                                                                                                      da £846,99
                                                                                                                      Questa parte sostituisce il numero di parte 100437 - e 1 altro. Fare clic per visualizzare i dettagli
                                                                                                                      # 027
                                                                                                                      MPN: 100431
                                                                                                                      DISTANZIALE FRA GIRANTE E CUSCINETTO
                                                                                                                      da £65,04
                                                                                                                      da £65,04
                                                                                                                      Questa parte sostituisce il numero di parte 26760
                                                                                                                      # 028
                                                                                                                      MPN: 26733
                                                                                                                      GIRANTE PER POMPA ACQUA
                                                                                                                      Superamento
                                                                                                                      Superamento
                                                                                                                      # 029
                                                                                                                      MPN: 100433
                                                                                                                      ANELLO DI TENUTA
                                                                                                                      da £69,95
                                                                                                                      da £69,95
                                                                                                                      Questa parte sostituisce il numero di parte 114410
                                                                                                                      # 029
                                                                                                                      MPN: 100433
                                                                                                                      ANELLO DI TENUTA
                                                                                                                      (sostituisce: 26735)
                                                                                                                      da £69,95
                                                                                                                      da £69,95
                                                                                                                      Questa parte sostituisce il numero di parte 114410
                                                                                                                      # 030
                                                                                                                      MPN: 26788
                                                                                                                      DISTANZIALE INTERMEDIO
                                                                                                                      Superamento
                                                                                                                      Superamento
                                                                                                                      # 031
                                                                                                                      MPN: 26813
                                                                                                                      ALBERO PER INGRANAGGIO
                                                                                                                      Superamento
                                                                                                                      Superamento
                                                                                                                      # 032
                                                                                                                      MPN: 26814
                                                                                                                      INGRANAGGIO
                                                                                                                      Superamento
                                                                                                                      Superamento
                                                                                                                      # 033
                                                                                                                      MPN: 95503
                                                                                                                      MANICA
                                                                                                                      Superamento
                                                                                                                      Superamento
                                                                                                                      # 034
                                                                                                                      MPN: 100441
                                                                                                                      CLIP DEL GIUBILEO
                                                                                                                      da £4,96
                                                                                                                      da £4,96
                                                                                                                      # 035
                                                                                                                      MPN: 100434
                                                                                                                      PIATTO
                                                                                                                      da £7,94
                                                                                                                      da £7,94
                                                                                                                      Questa parte sostituisce il numero di parte 92361 - e 1 altro. Fare clic per visualizzare i dettagli
                                                                                                                      # 036
                                                                                                                      MPN: 93798
                                                                                                                      Rondella
                                                                                                                      Superamento
                                                                                                                      Superamento
                                                                                                                      # 037
                                                                                                                      MPN: 92896
                                                                                                                      DADO CAPPUCCIO
                                                                                                                      Superamento
                                                                                                                      Superamento
                                                                                                                      # 038
                                                                                                                      MPN: 101136
                                                                                                                      ANELLO DI TENUTA
                                                                                                                      da £19,16
                                                                                                                      da £19,16
                                                                                                                      Questa parte sostituisce il numero di parte 108060
                                                                                                                      # 039
                                                                                                                      MPN: 11059076
                                                                                                                      ANELLO SEEGER
                                                                                                                      da £0,69
                                                                                                                      da £0,69
                                                                                                                      Questa parte sostituisce il numero di parte 11059075
                                                                                                                      # 040
                                                                                                                      MPN: 101603
                                                                                                                      CUSCINETTO
                                                                                                                      da £14,19
                                                                                                                      da £14,19
                                                                                                                      Questa parte sostituisce il numero di parte 114763 - e 1 altro. Fare clic per visualizzare i dettagli
                                                                                                                      # 041
                                                                                                                      MPN: 101023
                                                                                                                      ANELLO DI TENUTA
                                                                                                                      da £4,41
                                                                                                                      da £4,41
                                                                                                                      # 042
                                                                                                                      MPN: 26790
                                                                                                                      PERNO FILETTATO
                                                                                                                      Superamento
                                                                                                                      Superamento
                                                                                                                      # 043
                                                                                                                      MPN: 11198074
                                                                                                                      Rondella
                                                                                                                      da £0,54
                                                                                                                      da £0,54
                                                                                                                      Questa parte sostituisce il codice articolo 11198071 che abbiamo in magazzino - e 4 altro. Fare clic per visualizzare i dettagli
                                                                                                                      # 044
                                                                                                                      MPN: 16100824
                                                                                                                      NOCE
                                                                                                                      da £0,53
                                                                                                                      da £0,53
                                                                                                                      Questa parte sostituisce il numero di parte 16100814 - e 1 altro. Fare clic per visualizzare i dettagli
                                                                                                                      # 045
                                                                                                                      MPN: 92507
                                                                                                                      Rondella
                                                                                                                      Superamento
                                                                                                                      Superamento
                                                                                                                      # 046
                                                                                                                      MPN: 95172
                                                                                                                      NOCE
                                                                                                                      Superamento
                                                                                                                      Superamento
                                                                                                                      # 047
                                                                                                                      MPN: 10734400
                                                                                                                      COPPIGLIA
                                                                                                                      # 048
                                                                                                                      MPN: 10617120
                                                                                                                      Chiave
                                                                                                                      da £1,69
                                                                                                                      da £1,69
                                                                                                                      Questa parte sostituisce il numero di parte 92
                                                                                                                      # 049
                                                                                                                      MPN: 147613
                                                                                                                      GUARNIZIONE
                                                                                                                      da £6,88
                                                                                                                      da £6,88
                                                                                                                      Questa parte sostituisce il numero di parte 100054
                                                                                                                      # 050
                                                                                                                      MPN: 12739
                                                                                                                      INGRANAGGIO COMANDO POMPA ACQUA E OLIO SU ALBERO MOTORE
                                                                                                                      Superamento
                                                                                                                      Superamento
                                                                                                                      # 051
                                                                                                                      MPN: 26812
                                                                                                                      UNIONE
                                                                                                                      Superamento
                                                                                                                      Superamento
                                                                                                                      # 052
                                                                                                                      MPN: 95554
                                                                                                                      UNIONE
                                                                                                                      # 053
                                                                                                                      MPN: 10263160
                                                                                                                      GUARNIZIONE
                                                                                                                      da £0,53
                                                                                                                      da £0,53
                                                                                                                      Questa parte sostituisce il numero di parte 92930
                                                                                                                      # 054
                                                                                                                      MPN: 220633
                                                                                                                      PERNO FILETTATO
                                                                                                                      Superamento
                                                                                                                      Superamento
                                                                                                                      # 055
                                                                                                                      MPN: 16100824
                                                                                                                      NOCE
                                                                                                                      da £0,53
                                                                                                                      da £0,53
                                                                                                                      Questa parte sostituisce il numero di parte 16100814 - e 1 altro. Fare clic per visualizzare i dettagli
                                                                                                                      # 056
                                                                                                                      MPN: 11198074
                                                                                                                      Rondella
                                                                                                                      da £0,54
                                                                                                                      da £0,54
                                                                                                                      Questa parte sostituisce il codice articolo 11198071 che abbiamo in magazzino - e 4 altro. Fare clic per visualizzare i dettagli
                                                                                                                      # 057
                                                                                                                      MPN: 400112
                                                                                                                      RUBINETTO SUPPLEMENTARE PER RISCALDATORE DESTRO E SINISTRO
                                                                                                                      Superamento
                                                                                                                      Superamento
                                                                                                                      # 058
                                                                                                                      MPN: Tubocalore
                                                                                                                      Tubo + 22X12
                                                                                                                      # 059
                                                                                                                      MPN: 95608
                                                                                                                      CLIP DEL GIUBILEO
                                                                                                                      da £2,66
                                                                                                                      da £2,66