Mostra tutto 
-part-diagram-128.webp) 
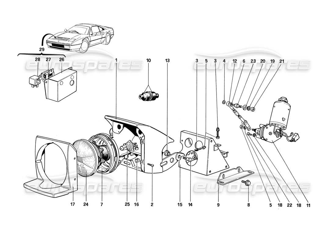
                                128 - Dispositivo Sollevamento Luci e Fari
Ferrari 328 (1988) Lights Lifting Device and Headlights Diagramma delle parti
Visualizza il diagramma delle parti esplose per trovare la parte che stai cercando
- Puoi riposizionare il diagramma trascinandolo
- È possibile ingrandire e rimpicciolire il diagramma scorrendo, pizzicando o utilizzando ilEpulsanti
- È possibile reimpostare il diagramma utilizzando il comandopulsante
Visualizza tutte le informazioni sui prezzi e sulla disponibilità delle parti nella tabella delle parti A destrasotto
- È possibile fare clic su un hotspot  nello schema delle parti per individuare la parte nella tabella 
- Puoi utilizzare le opzioni filtro, nella scheda filtro, per nascondere parti non pertinenti alla tua ricerca
Passare da un diagramma di parte all'altro utilizzando il comandoEpulsanti o utilizzare le immagini del diagramma di seguito
Ti consigliamo di visualizzare questa pagina con orientamento orizzontale per la migliore esperienza
Chiave della parte
ST
Parte in magazzino
PS
Disponibile in un set parziale
SS
Sostituzione della parte in stock
PS
Disponibile in un set parziale su ordinazione (In base alla disponibilità)
SO
Parte disponibile su ordinazione (In base alla disponibilità)
PK
Disponibile in un kit di parti
# 001
MPN: 60570600
ALLOGGIAMENTO PROIETTORE DX
da  £283,50 
da  £283,50 
 Questa parte sostituisce il numero di parte 60333705  - e 5 altro. Fare clic per visualizzare i dettagli 
# 001
MPN: 60570700
ALLOGGIAMENTO PROIETTORE SX
da  £602,64 
da  £602,64 
# 002
MPN: 60644600
VITE
da  £1,52 
da  £1,52 
# 003
MPN: 50087709
ASTA
da  £13,65 
da  £13,65 
 Questa parte sostituisce il numero di parte 62783000 
# 004
MPN: 11087976
ANELLO SEEGER
Superamento 
Superamento 
 Questa parte sostituisce il numero di parte 11087975 
# 005
MPN: 15896211
NOCE
Superamento 
Superamento 
 Questa parte sostituisce il codice articolo 15896210 che abbiamo in magazzino 
# 006
MPN: 30152607
Rondella
Superamento 
Superamento 
# 007
MPN: 60154804
CIOTOLA DELLA LAMPADA TESTA
da  £309,75 
da  £309,75 
 Questa parte sostituisce il numero di parte 109384 
# 008
MPN: 13842411
VITE
da  £0,56 
da  £0,56 
 Questa parte sostituisce il codice articolo 13842471 che abbiamo in magazzino 
# 009
MPN: 60581800
STAFFA DESTRA
Superamento 
Superamento 
# 009
MPN: 60581900
STAFFA SX
da  £6,34 
da  £6,34 
# 010
MPN: 60645100
PROTEZIONE
da  £1,12 
da  £1,12 
# 011
MPN: 172534
MOTORE SOLLEVAMENTO FARI DX
da  £230,59 
da  £230,59 
 Questa parte sostituisce il codice articolo 149134 che abbiamo in magazzino  - e 5 altro. Fare clic per visualizzare i dettagli 
 MOTORE SOLLEVAMENTO FARI Genuine Ferrari Parte - Nuovo  (Per ordinare)  
SI PREGA DI CONTROLLARE LE FOTO DELLA PARTE PRIMA DI ORDINARE
SI PREGA DI CONTROLLARE LE FOTO DELLA PARTE PRIMA DI ORDINARE
 MOTORE SOLLEVAMENTO FARI Original Attrezzatura: nuova    in magazzino  
SI PREGA DI CONTROLLARE LE FOTO DELLA PARTE PRIMA DI ORDINARE
SI PREGA DI CONTROLLARE LE FOTO DELLA PARTE PRIMA DI ORDINARE
# 011
MPN: 172535
MOTORE SOLLEVAMENTO FARI SX
da  £449,34 
da  £449,34 
 Questa parte sostituisce il codice articolo 149133 che abbiamo in magazzino 
 MOTORE SOLLEVAMENTO FARI Genuine Ferrari Parte - Nuovo    in magazzino  
SI PREGA DI CONTROLLARE LE FOTO DELLA PARTE PRIMA DI ORDINARE.
SI PREGA DI CONTROLLARE LE FOTO DELLA PARTE PRIMA DI ORDINARE.
 MOTORE SOLLEVAMENTO FARI Original Attrezzatura: nuova    in magazzino  
SI PREGA DI CONTROLLARE LE FOTO DELLA PARTE PRIMA DI ORDINARE.
SI PREGA DI CONTROLLARE LE FOTO DELLA PARTE PRIMA DI ORDINARE.
# 012
MPN: 61268600
ASTA DI COLLEGAMENTO
da  £85,35 
da  £85,35 
 Questa parte sostituisce il numero di parte 50038009  - e 2 altro. Fare clic per visualizzare i dettagli 
# 013
MPN: 50070507
BOCCOLA
da  £5,55 
da  £5,55 
# 014
MPN: 50070606
SPILLO
da  £14,06 
da  £14,06 
# 015
MPN: 60648000
SUPPORTO DX
da  £43,27 
da  £43,27 
 Questa parte sostituisce il numero di parte 60648200  - e 4 altro. Fare clic per visualizzare i dettagli 
# 015
MPN: 61750800
SUPPORTO SX
da  £30,75 
da  £30,75 
# 016
MPN: 40136707
CLIP
da  £0,84 
da  £0,84 
# 017
MPN: 60570800
COPERTURA DX
da  £1.219,08 
da  £1.219,08 
# 017
MPN: 60570900/A
COPERTURA SX
da  £1.009,44 
da  £1.009,44 
# 018
MPN: 12605371
Rondella
da  £0,48 
da  £0,48 
# 019
MPN: 10615770
Rondella
Superamento 
Superamento 
# 020
MPN: 12638601
Rondella
da  £0,54 
da  £0,54 
 Questa parte sostituisce il numero di parte 20232104 
# 021
MPN: 12164721
NOCE
da  £0,61 
da  £0,61 
# 022
MPN: 10902121
VITE
da  £0,71 
da  £0,71 
 Questa parte sostituisce il numero di parte 20146601 
# 023
MPN: 61325900
SPILLO
da  £21,93 
da  £21,93 
# 024
MPN: 60865000
FARO ANTERIORE (LH D.)
Non per F-US-J-RHD
da  £92,83 
da  £92,83 
 Questa parte sostituisce il numero di parte 60154903 
# 024
MPN: 60865100
FARO CON LAMPADINA-RHD-J
da  £61,68 
da  £61,68 
 Questa parte sostituisce il numero di parte 60196300  - e 1 altro. Fare clic per visualizzare i dettagli 
# 024
MPN: 60865200
PROIETTORE SOLO CON LAMPADINA F
 Questa parte sostituisce il numero di parte 60196408 
# 024
MPN: 61610400
TRAVE SIGILLATA - SOLO PER GLI STATI UNITI
da  £122,82 
da  £122,82 
 Questa parte sostituisce il numero di parte 60796700  - e 1 altro. Fare clic per visualizzare i dettagli 
# 025
MPN: 60121704
LAMPADINA PER FARI
Non per F-US
Superamento 
Superamento 
# 025
MPN: 60122603
LAMPADINA PER FARI - SOLO F
Superamento 
Superamento 
# 026
MPN: 62342800
SCATOLA DIM-DIP
GB solo dall'auto 68197
da  £19,15 
da  £19,15 
# 027
MPN: 62342000
RESISTORE
GB solo dall'auto 68197
da  £5,92 
da  £5,92 
# 028
MPN: 62342100
RELÈ
GB solo dall'auto 68197
da  £11,55 
da  £11,55 
# 029
MPN: 62346400
DIM - SCATOLA DIP COMPLETA
GB solo dall'auto 68197
da  £36,00 
da  £36,00 
 Eurospares
 Eurospares-part-diagram-129.webp) 
 -part-diagram-130.webp) 
 -part-diagram-131.webp) 
 -part-diagram-001.webp) 
 -part-diagram-002.webp) 
 -part-diagram-003.webp) 
 -part-diagram-004.webp) 
 -part-diagram-005.webp) 
 -part-diagram-006.webp) 
 -part-diagram-007.webp) 
 -part-diagram-008.webp) 
 -part-diagram-009.webp) 
 -part-diagram-010.webp) 
 -part-diagram-011.webp) 
 -part-diagram-012.webp) 
 -part-diagram-013.webp) 
 -part-diagram-014.webp) 
 -part-diagram-015.webp) 
 -part-diagram-016.webp) 
 -part-diagram-017.webp) 
 -part-diagram-018.webp) 
 -part-diagram-019.webp) 
 -part-diagram-020.webp) 
 -part-diagram-021.webp) 
 -part-diagram-022.webp) 
 -part-diagram-023.webp) 
 -part-diagram-024.webp) 
 -part-diagram-025.webp) 
 -part-diagram-026.webp) 
 -part-diagram-027.webp) 
 -part-diagram-028.webp) 
 -part-diagram-029.webp) 
 -part-diagram-030.webp) 
 -part-diagram-031.webp) 
 -part-diagram-032.webp) 
 -part-diagram-033.webp) 
 -part-diagram-034.webp) 
 -part-diagram-035.webp) 
 -part-diagram-036.webp) 
 -part-diagram-037.webp) 
 -part-diagram-038.webp) 
 -part-diagram-039.webp) 
 -part-diagram-040.webp) 
 -part-diagram-041.webp) 
 -part-diagram-042.webp) 
 -part-diagram-043.webp) 
 -part-diagram-044.webp) 
 -part-diagram-045.webp) 
 -part-diagram-046.webp) 
 -part-diagram-047.webp) 
 -part-diagram-048.webp) 
 -part-diagram-049.webp) 
 -part-diagram-050.webp) 
 -part-diagram-051.webp) 
 -part-diagram-052.webp) 
 -part-diagram-053.webp) 
 -part-diagram-054.webp) 
 -part-diagram-055.webp) 
 -part-diagram-056.webp) 
 -part-diagram-057.webp) 
 -part-diagram-058.webp) 
 -part-diagram-059.webp) 
 -part-diagram-060.webp) 
 -part-diagram-061.webp) 
 -part-diagram-101.webp) 
 -part-diagram-102.webp) 
 -part-diagram-103.webp) 
 -part-diagram-104.webp) 
 -part-diagram-105.webp) 
 -part-diagram-106.webp) 
 -part-diagram-107.webp) 
 -part-diagram-108.webp) 
 -part-diagram-109.webp) 
 -part-diagram-110.webp) 
 -part-diagram-111.webp) 
 -part-diagram-112.webp) 
 -part-diagram-113.webp) 
 -part-diagram-114.webp) 
 -part-diagram-115.webp) 
 -part-diagram-116.webp) 
 -part-diagram-117.webp) 
 -part-diagram-118.webp) 
 -part-diagram-119.webp) 
 -part-diagram-120.webp) 
 -part-diagram-121.webp) 
 -part-diagram-122.webp) 
 -part-diagram-123.webp) 
 -part-diagram-124.webp) 
 -part-diagram-125.webp) 
 -part-diagram-126.webp) 
 -part-diagram-127.webp)