ferrari 275 gtb4 generatore e batteria diagramma delle parti

015 - Generatore e batteria

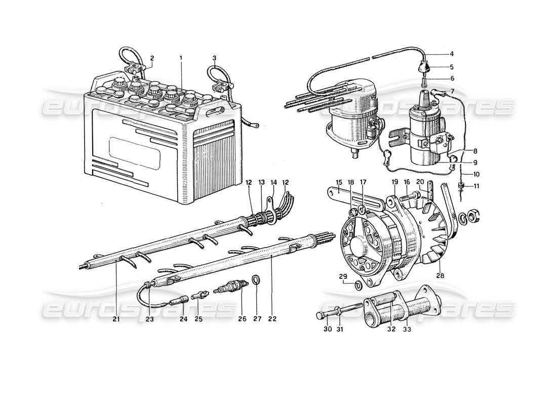
Ferrari 275 GTB4 Generator and Battery Diagramma delle parti

Visualizza il diagramma delle parti esplose per trovare la parte che stai cercando
  • Puoi riposizionare il diagramma trascinandolo
  • È possibile ingrandire e rimpicciolire il diagramma scorrendo, pizzicando o utilizzando ilEpulsanti
  • È possibile reimpostare il diagramma utilizzando il comandopulsante
Visualizza tutte le informazioni sui prezzi e sulla disponibilità delle parti nella tabella delle parti A destrasotto
  • È possibile fare clic su un hotspot nello schema delle parti per individuare la parte nella tabella
  • Puoi utilizzare le opzioni filtro, nella scheda filtro, per nascondere parti non pertinenti alla tua ricerca
Passare da un diagramma di parte all'altro utilizzando il comandoEpulsanti o utilizzare le immagini del diagramma di seguito
Ti consigliamo di visualizzare questa pagina con orientamento orizzontale per la migliore esperienza
Chiave della parte
ST
Parte in magazzino
PS
Disponibile in un set parziale
SS
Sostituzione della parte in stock
PS
Disponibile in un set parziale su ordinazione (In base alla disponibilità)
SO
Parte disponibile su ordinazione (In base alla disponibilità)
PK
Disponibile in un kit di parti
                                                                    #
                                                                    Numero di parte
                                                                    Descrizione
                                                                    Prezzo
                                                                    # 001
                                                                    -
                                                                    BATTERIA 12V - 74 A/H
                                                                    # 002
                                                                    MPN: 400048
                                                                    CAVO POSITIVE PER BATTERIA
                                                                    Questa parte sostituisce il numero di parte 80990
                                                                    # 003
                                                                    MPN: 115660
                                                                    CAVO MASSA
                                                                    Superamento
                                                                    Superamento
                                                                    Questa parte sostituisce il numero di parte 107328
                                                                    # 004
                                                                    -
                                                                    CAVO ACCENSIONE
                                                                    # 005
                                                                    MPN: 28918
                                                                    CAPPUCCIO
                                                                    Superamento
                                                                    Superamento
                                                                    # 006
                                                                    MPN: MARELLI
                                                                    GRAFFA PER CAVO
                                                                    # 007
                                                                    MPN: 10405385
                                                                    COPRIMORSETTO
                                                                    da £2,74
                                                                    da £2,74
                                                                    Questa parte sostituisce il numero di parte 100285 - e 2 altro. Fare clic per visualizzare i dettagli
                                                                    # 008
                                                                    -
                                                                    CAVO CORRENTE A 12 V
                                                                    # 010
                                                                    -
                                                                    CAVO PER CORRENTE BOBINE
                                                                    # 011
                                                                    MPN: 400085
                                                                    PASSACAVO
                                                                    # 012
                                                                    MPN: 3068
                                                                    SQUILLO
                                                                    # 013
                                                                    MPN: 10396580
                                                                    SQUILLO
                                                                    da £1,26
                                                                    da £1,26
                                                                    Questa parte sostituisce il numero di parte 100286
                                                                    # 014
                                                                    MPN: 29061
                                                                    PIATTO
                                                                    da £0,74
                                                                    da £0,74
                                                                    # 015
                                                                    MPN: 30803
                                                                    STAFFA/SUPPORTO
                                                                    # 016
                                                                    MPN: B2
                                                                    BULLONE
                                                                    Superamento
                                                                    Superamento
                                                                    # 017
                                                                    MPN: 10R3
                                                                    Rondella
                                                                    # 019
                                                                    MPN: GCA-101/M
                                                                    GENERATORE
                                                                    # 020
                                                                    MPN: SV. 575
                                                                    CINGHIA PER GENERATORE
                                                                    # 021
                                                                    MPN: 29182 D/S
                                                                    PORTAFILI PER CANDELE
                                                                    # 022
                                                                    MPN: 29220 D/S
                                                                    COMPLESSIVO PORTAFILI CON FILI
                                                                    # 023
                                                                    MPN: 28905
                                                                    ANELLINO PROTEZIONE
                                                                    da £3,19
                                                                    da £3,19
                                                                    # 024
                                                                    MPN: 29171
                                                                    PROTEZIONE INNESTO
                                                                    da £4,52
                                                                    da £4,52
                                                                    Questa parte sostituisce il codice articolo 12056886 che abbiamo in magazzino
                                                                    # 025
                                                                    MPN: 28906
                                                                    INNESTO PER CANDELE
                                                                    da £13,16
                                                                    da £13,16
                                                                    # 026
                                                                    MPN: N6 Y
                                                                    CANDELA
                                                                    # 027
                                                                    MPN: 28889
                                                                    GUARNIZIONE O SIGILLO
                                                                    # 028
                                                                    MPN: 30710
                                                                    ASSIEME PULEGGIA E VENTOLA
                                                                    da £2.707,42
                                                                    da £2.707,42
                                                                    # 029
                                                                    MPN: 93300
                                                                    Rondella
                                                                    # 030
                                                                    MPN: 94986
                                                                    BULLONE
                                                                    # 031
                                                                    MPN: 10R3
                                                                    Rondella
                                                                    # 032
                                                                    MPN: 30802
                                                                    DISTANZIALE PER SUPPORTO
                                                                    # 033
                                                                    MPN: 30801
                                                                    SUPPORTO
                                                                    da £98,79
                                                                    da £98,79