- Seleziona modello
Trova parti Maserati Quattroporte M156 (2014 onwards) usate
Esplora la nostra vasta collezione di parti Maserati Quattroporte M156 (2014 onwards) usate, che comprende pannelli della carrozzeria, motori, cambi, ruote e altro ancora. Prestiamo molta attenzione quando rimuoviamo ogni parte e siamo orgogliosi della nostra meticolosa gestione.
Ispezioniamo attentamente ogni parte, ne garantiamo l'origine e la supportiamo con la garanzia Eurospares. Con oltre 35 anni di esperienza nell'approvvigionamento e nella fornitura di ricambi per automobili di prestigio, ci siamo guadagnati una reputazione di eccellenza. Stai certo che sei in buone mani quando acquisti parti Quattroporte M156 (2014 onwards) usate su Eurospares.
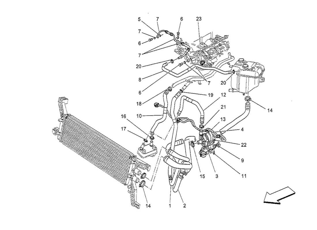
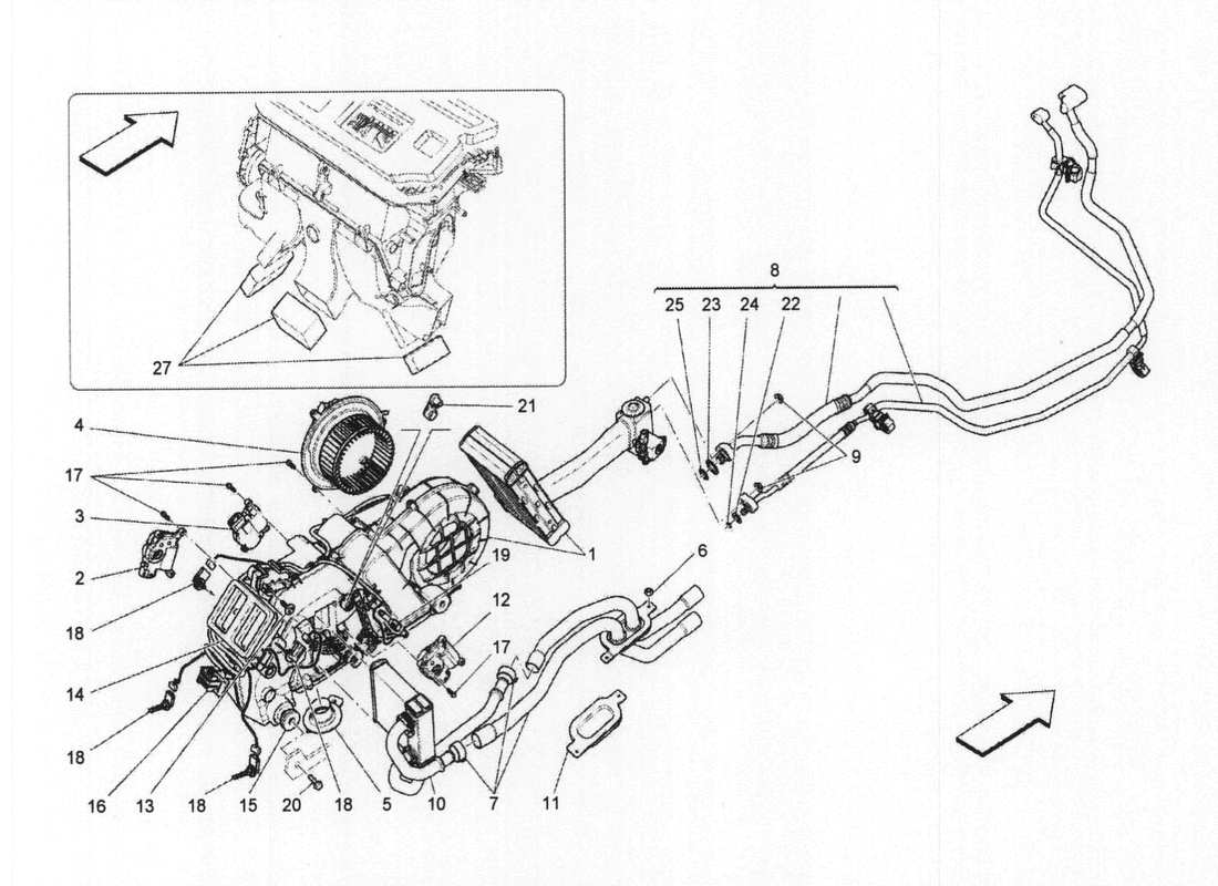
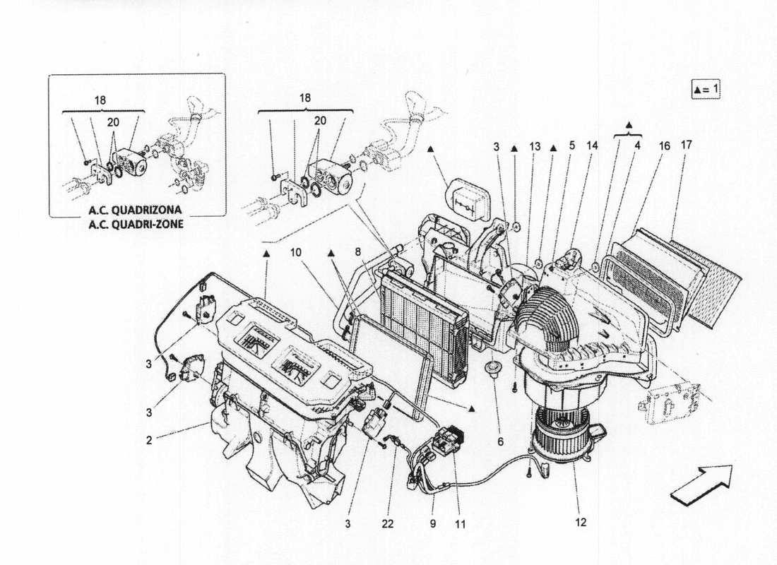
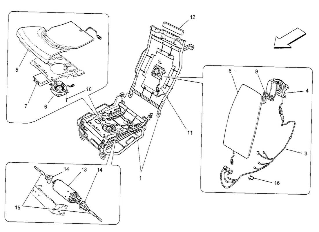
Puoi selezionare un'auto qui sopra per visualizzare le parti disponibili per quell'auto, visitare la vetrina delle parti per sfogliare una selezione di parti in stock o esplorare i cataloghi Quattroporte M156 (da 2014 in poi) per visualizzare i diagrammi delle parti e vedere tutto le parti disponibili. Inoltre puoi avviare una ricerca nella parte superiore di questa pagina o contattarci se vuoi che troviamo il ricambio adatto a te.

.webp)










-part-diagram.webp)
-part-diagram.webp)