Ricambi motore Ferrari usati in vendita su Eurospares
Noi di Eurospares siamo specializzati nel dare una seconda vita ai leggendari motori Ferrari. Attraverso lo smontaggio e la ricomposizione eseguiti da esperti, i nostri tecnici interni recuperano componenti originali e utilizzabili dei motori Ferrari da Cavallino Rampante ormai fuori uso e li mettono a disposizione di appassionati e officine in tutto il mondo. Che tu stia cercando un raro tubo di mandata V12, ricostruendo un V8 turbocompresso o cercando ricambi per motori Ferrari d'epoca in vendita, qui troverai la sicurezza e la precisione di cui hai bisogno.
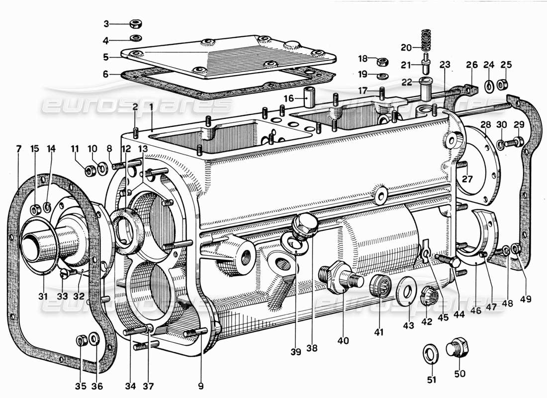
Ogni motore Ferrari che smontiamo viene accuratamente smontato, e ogni parte utilizzabile viene ispezionata, testata e catalogata utilizzando il codice Ferrari corretto. Dalle pompe del carburante , ai supporti motore e ai pistoni , fino ai volani , ai corpi farfallati e ai turbocompressori , disponiamo di un'ampia gamma di ricambi originali, spesso difficili da trovare nuovi, tutti a prezzi competitivi e coperti dalla nostra garanzia Eurospares .
Con oltre 40 anni di esperienza nella fornitura di ricambi usati Ferrari , comprendiamo l'importanza di curare ogni dettaglio . Che tu stia eseguendo una revisione completa del motore, cercando di risolvere un guasto poco chiaro o semplicemente mantenendo la tua Ferrari al massimo delle prestazioni, siamo qui per supportarti con ricambi originali che si adattano al primo tentativo. Tutti i ricambi sono elencati in base agli schemi di montaggio per aiutarti a identificare la soluzione corretta per il tuo modello. E se qualcosa non è disponibile in magazzino, contattaci : potremmo averlo a magazzino o in arrivo a breve.
La nostra missione è riciclare le Ferrari a fine vita in modo da mantenerle in perfette condizioni. Recuperando parti di motore funzionanti, contribuiamo a ridurre gli sprechi e a rendere possibile la manutenzione di veicoli esclusivi in modo economico e responsabile. Da un motore Ferrari completo a un singolo sensore di pressione, ogni componente contribuisce a mantenerne vive le prestazioni.
-engine.webp)










